EasyManua.ls Logo

DNP CX-330 - User Mode Settings: Ink Configuration; Ink Mode Settings

DNP CX-330
56 pages
Print Icon
To Next Page IconTo Next Page
To Next Page IconTo Next Page
To Previous Page IconTo Previous Page
To Previous Page IconTo Previous Page
Loading...
32
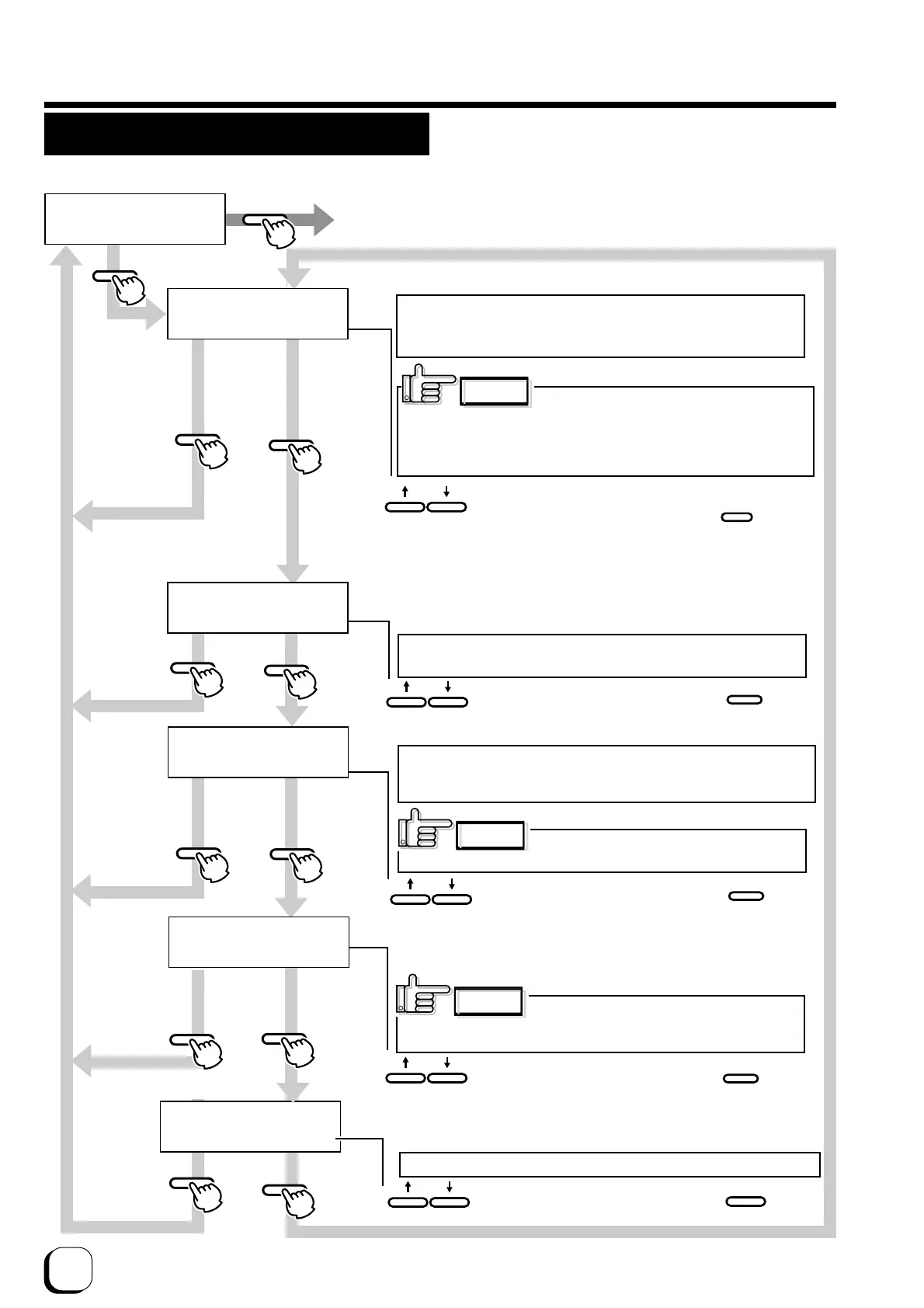
Operation (continued)
Ink mode setting
Change settings according to the ink ribbon used.
>Ink>
0(Standard)
ENTER
ENTER
MENU
MENU
MENU
EXIT
EXIT
EXIT
ENTER
EXIT
Exit User Mode
>>Black Mode
Standard
>>Black Level
=== 0
>>Ink Type
YMCK:0
>>UV level
+3(Thick)
>>SP-Ink2 Level
-2(Thin)
EXIT
MENU
Display the ink ribbon type.(YMCK:0, YMCKK:4 YMCK+UV:5)
Display only because of automatic setting by RF-ID(Setting is not possible)
Yellow (Y), Magenta (M), Cyan (C) and Black (B)
are provided as the standard ink ribbons.
Concerning printer control spec.
be sure to print by K(Black(B)) when printing with 5-color
ink.(e.g.,YMCK+UV,YMCKK ink)
CAUTION
Set the black level K
9 gradations can be set
(from –3 to +5, the larger the value the darker the printing)
Small characters printed in black ink may be blurred or
partially darkened. If this is the case, change the setting.
Set the K printing mode:2 options (Standard and Fine)
Set to “Fine” mode if blurring still occurs after an increase
in “Black Level.” The printing time slightly becomes longer
in this setting.
Set to “Fine” mode to avoid blurring
when printing thin by 1 dot lines or small characters.
Special ink SP-Ink 2 level.
9 gradations can be set
(from –3 to +5, the higher the value the darker the printing.)
Set this darkness level when using a special ink (not yet available).
(The electronic beep sounds .The beep will not sound if the buzzer mode setting is set to off.)
Press to select the setting value and press to save.
ENTER
CAUTION
UV ink level setting.
9 gradations can be set
(from –3 to +5, the larger the value the darker the printing)
During UV print, printing cards that are
poor in heat-resistance or printing under a high temperature
may severely distort the cards.
CAUTION
MENU
EXIT
(The electronic beep sounds .The beep will not sound if the buzzer mode setting is set to off.)
Press to select the setting value and press to save.
(The electronic beep sounds .The beep will not sound if the buzzer mode setting is set to off.)
Press to select the setting value and press to save.
ENTER
ENTER
(The electronic beep sounds .The beep will not sound if the buzzer mode setting is set to off.)
Press to select the setting value and press to save.
(The electronic beep sounds .The beep will not sound if the buzzer mode setting is set to off.)
Press to select the setting value and press to save.

Table of Contents

Related product manuals