EasyManua.ls Logo

DNP CX-330 - Page 38

DNP CX-330
56 pages
Print Icon
To Next Page IconTo Next Page
To Next Page IconTo Next Page
To Previous Page IconTo Previous Page
To Previous Page IconTo Previous Page
Loading...
38
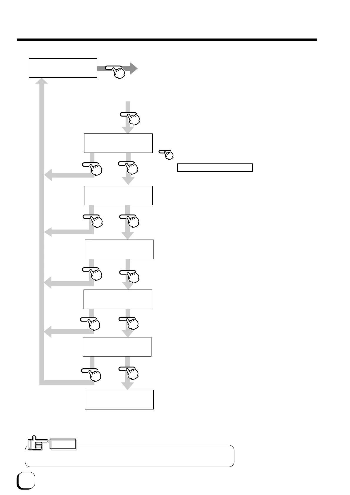
>>Session Time Out
>>MAC Address
Off
0080-8842-8B00
Session Time out time setting
5 levels of time setting
(off, 10sec, 20sec, 30sec, 60sec)
Display of MAC address
When IP Sec type is "not setting ", it is fixed at Off.
MENU
MENU
MENU
EXIT
EXIT
EXIT
EXIT
Exit user mode
MENU
EXIT
>>IPSec mode
Off
Availability of IP Sec (Off, On)
Displayed of the IP Sec authentication method
not Setting(no definition), Preshared(presharing of
key authentication), Certificate(Public key certificate))
MENU
From previous page
>Network>
>>Printer Name
PRINTER01
Return to top of the network settings on previous page.
MENU
EXIT
ENTER
>>Gateway
192.168.000.001
Default Gateway Setting
Setting when DHCP is Off.
Press the ENTER key to enter Address Setting mode.
See page 39 for the setting method.
>>IPSec Type
not Setting
Turn off the power then turn it on again to enable Network settings.
CAUTION
Operation (continued)

Table of Contents

Related product manuals