EasyManua.ls Logo

DOM ENiQ AccessManager - Installation of a VOX-IO-Easy Reader

Default Icon
72 pages
Print Icon
To Next Page IconTo Next Page
To Next Page IconTo Next Page
To Previous Page IconTo Previous Page
To Previous Page IconTo Previous Page
Loading...
ENiQ® Wall Readers & Terminals
_____________________________________________________________________________________
32
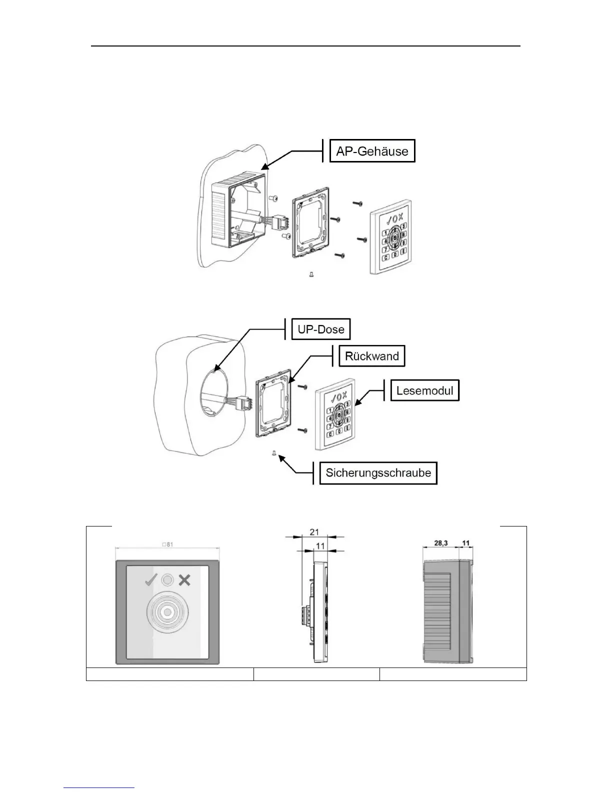
Installation of a VOX-IO-Easy reader
Structure of the surface mounted variant
Structure of the flush mounting variant
Dimensions
Flush mounted variant
Surface mounted variant

Table of Contents