EasyManua.ls Logo

Dometic Buttner MT LB50 - Page 13

Dometic Buttner MT LB50
172 pages
Print Icon
To Next Page IconTo Next Page
To Next Page IconTo Next Page
To Previous Page IconTo Previous Page
To Previous Page IconTo Previous Page
Loading...
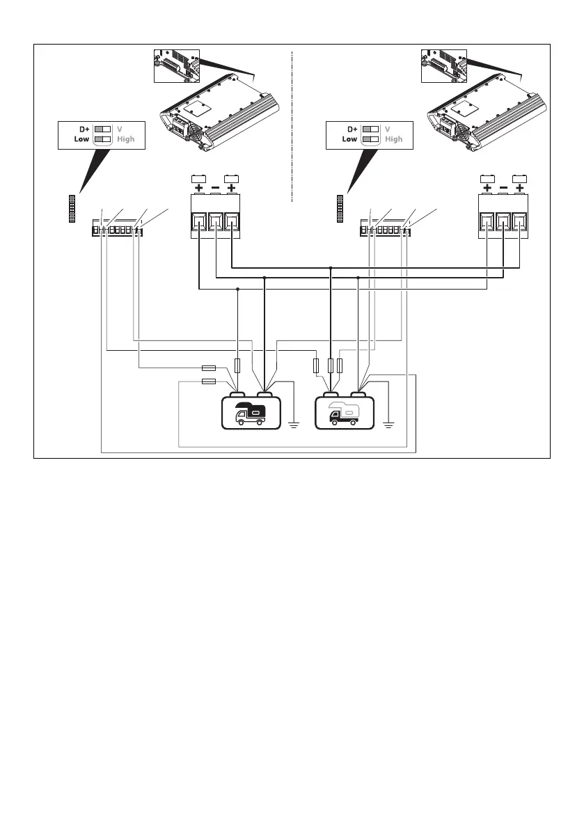
4445103618 13
+-
+-
StartBord Com.StartBord Com.
VS- VS+ VB- VB+ VS- VS+ VB- VB+
,,
,
5 A
5 A
5 A
5 A
l

Table of Contents