EasyManua.ls Logo

Dometic Buttner MT LB50 - Page 8

Dometic Buttner MT LB50
172 pages
Print Icon
To Next Page IconTo Next Page
To Next Page IconTo Next Page
To Previous Page IconTo Previous Page
To Previous Page IconTo Previous Page
Loading...
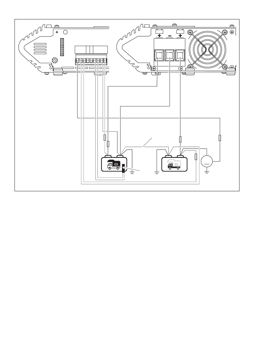
8 4445103618
D+
,,
5 A
5 A
5 A
G
,
+-+-
BORD
Com. START
D+ VS- VS+ TR CI T T VS- VS+
BORDSTART
A
1
2
g

Table of Contents