EasyManua.ls Logo

Dräger PIR 7200

Dräger PIR 7200
116 pages
To Next Page IconTo Next Page
To Next Page IconTo Next Page
To Previous Page IconTo Previous Page
To Previous Page IconTo Previous Page
Loading...
16
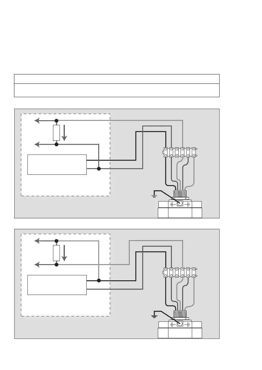
Assembly and Installation
Current Source / Current Sink Operation
The 4 to 20 mA signal output of the gas transmitter Dräger PIR 7000 / Dräger PIR 7200
can be switched both as current source (source operation) or as current sink (sink
operation). The gas transmitter detects whether the loop resistance is connected to (+) or
(–) and then automatically switches into current source operation or into current sink
operation.
Connection diagram for operation as 4 to 20 mA current source (source operation):
Connection diagram for operation as 4 to 20 mA current sink (sink operation):
NOTICE
The gas transmitter monitors the signal output current. If the loop resistance R
S
is not
present or is too high, the gas transmitter switches into fault and emits the fault signal.
00423886_01_en.eps
+
+
R
S
123456
Power supply
red
black
brown
white
green/yellow
Central device, e.g. Dräger REGARD
00523886_01_en.eps
+
+
R
S
123456
Power supply
red
black
brown
white
green/yellow
Central device, e.g. Dräger REGARD

Table of Contents

Other manuals for Dräger PIR 7200

Related product manuals