EasyManua.ls Logo

Dräger PSS BG 4 plus

Dräger PSS BG 4 plus
163 pages
To Next Page IconTo Next Page
To Next Page IconTo Next Page
To Previous Page IconTo Previous Page
To Previous Page IconTo Previous Page
Loading...
PSS BG4 / PSS BG4 plus [1114.231]
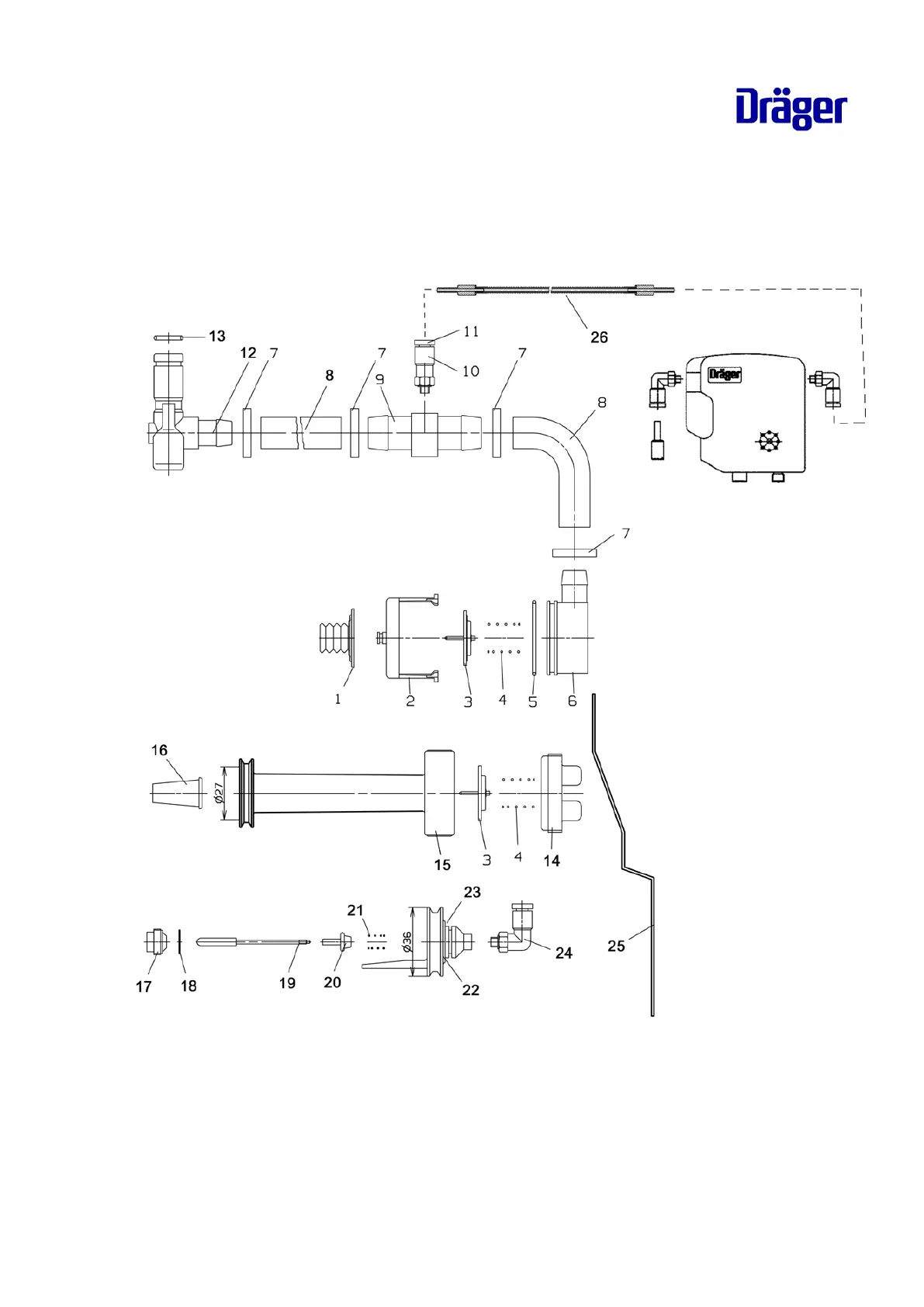
Spare parts list
Overpressure valve
T = purchase by authorised Service station only; X = subject to export approval
SL00184 0/08 Prod/Prod A | Prices per 25.10.2011 08:10:32 | Pub-ID 1114.231 | printed: 14.11.2011
DrägerSafety AG & Co KGaA | Subject to change | www.draeger.com
Page 133
Draeger Training 11/16 rev 1

Table of Contents

Related product manuals