EasyManua.ls Logo

DriSteem XTP 006 - Dimensional Drawings

DriSteem XTP 006
68 pages
Print Icon
To Next Page IconTo Next Page
To Next Page IconTo Next Page
To Previous Page IconTo Previous Page
To Previous Page IconTo Previous Page
Loading...
5
XT SERIES INSTALLATION, OPERATION, AND MAINTENANCE MANUAL
Notes:
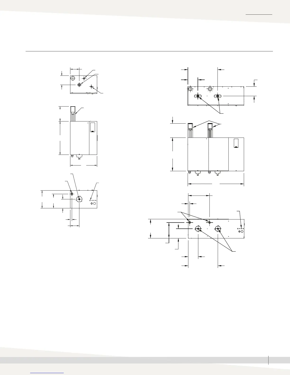
* Fill cup extension (Figure 5-1) is required for the following:
- All XT Series humidifi ers using Ultra-sorb or Rapid-sorb
- When developed length of steam tubing is more than 20' (6 m)
and duct static pressure exceeds 2" wc (498 Pa)
Labeled dimensions: inches (millimeters).
See mounting dimensions in Figure 9-1.
Models XTP 002 through 048
E
D
Electrical knockout
Top
Bottom
Front
Drain outlet
Electrical
knockouts
Supply water
connection
B
OM-7672
10.0 (254)
Fill cup extension kit*
OM-7673
D
B
E
F
Models XTP 050 through 096
10.0 (254)
21.0 (533)
Dispersion outlets
Drain outlets
Supply water connections
Fill cup extension kits*
A
A
C
C
F
Front
Top
Bottom
Electrical knockout
Dispersion outlet
E
E
Electrical
knockouts
21.0 (533)
15.1 (384)
D
D
G
G
Dimensional drawings
SPECIFICATIONS
FIGURE 5-1: XT SERIES HUMIDIFIER DIMENSIONAL DRAWINGS

Related product manuals