EasyManua.ls Logo

DSC GS3125 - Page 57

DSC GS3125
77 pages
Go to English
Print Icon
To Next Page IconTo Next Page
To Next Page IconTo Next Page
To Previous Page IconTo Previous Page
To Previous Page IconTo Previous Page
Loading...
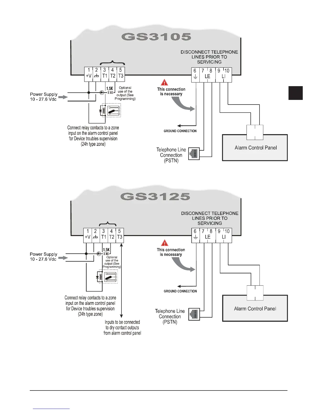
GS3125/GS3105 57
GG
GG
G
Open
Collector
Outputs
RJ-11
RJ-11
Relè
RM-1
Relè
RM-1
T
I
P
R
I
N
G
T
I
P
R
I
N
G
Example of the T1 and T2
programmed as
Open Collector Outputs
terminals
Termina l T3
programmed
as Input Line
W
ARNING
Incorrect connections may result in FTC fault or improper operation. Inspect wiring and ensure connections are correct before applying power.
D
O NOT route any wiring over circuit boards; maintain at least 1” (24.5 mm) separation. A minimum 1/4” (6.4 mm) separation must be
m
aintained at all points between Power Limited wiring and all other Non-Power Limited wiring.
Fig. 3 - GS3105 and GS3125 wiring diagram

Table of Contents

Related product manuals