EasyManua.ls Logo

DSE 8680 - Page 2

DSE 8680
2 pages
Print Icon
To Previous Page IconTo Previous Page
To Previous Page IconTo Previous Page
Loading...
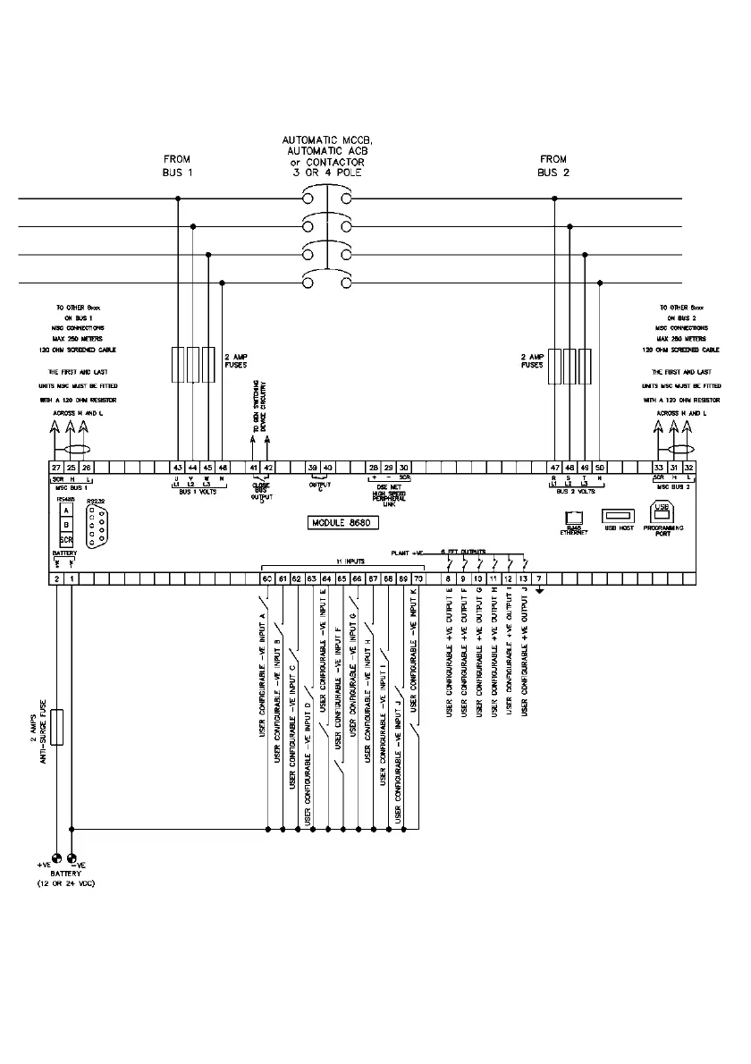
TYPICAL WIRING DIAGRAM
A larger version of this diagram can be found in the product manual.

Related product manuals