EasyManua.ls Logo

Dual MXD140 - Wiring Diagram

Dual MXD140
15 pages
Print Icon
To Next Page IconTo Next Page
To Next Page IconTo Next Page
To Previous Page IconTo Previous Page
To Previous Page IconTo Previous Page
Loading...
3
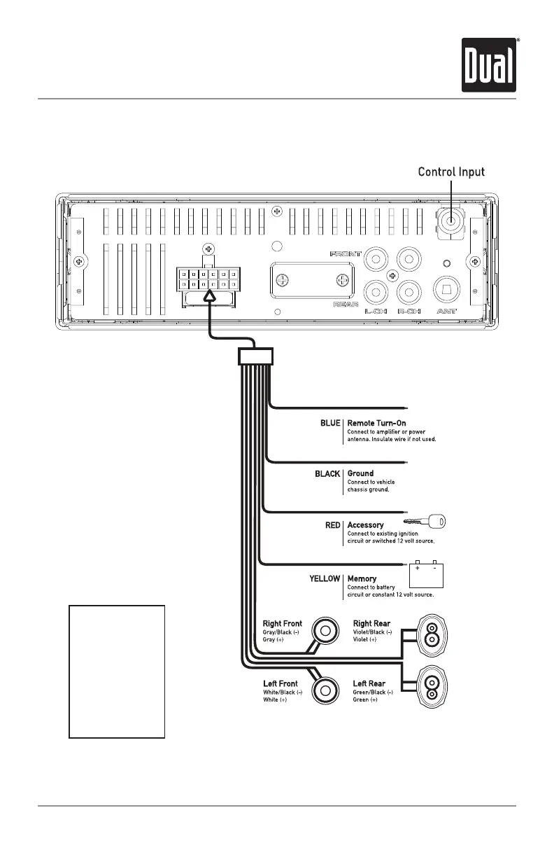
Wiring Diagram
FUSE
When replacing the
fuse, make sure new
fuse is the correct type
and amperage. Using
an incorrect fuse could
damage the radio.
The unit uses
one 10 amp ATC fuse
located beside
the Heat Sink
SWC
MXD140 INSTALLATION