EasyManua.ls Logo

Dual MXR42 - Wiring Diagram

Dual MXR42
12 pages
Print Icon
To Next Page IconTo Next Page
To Next Page IconTo Next Page
To Previous Page IconTo Previous Page
To Previous Page IconTo Previous Page
Loading...
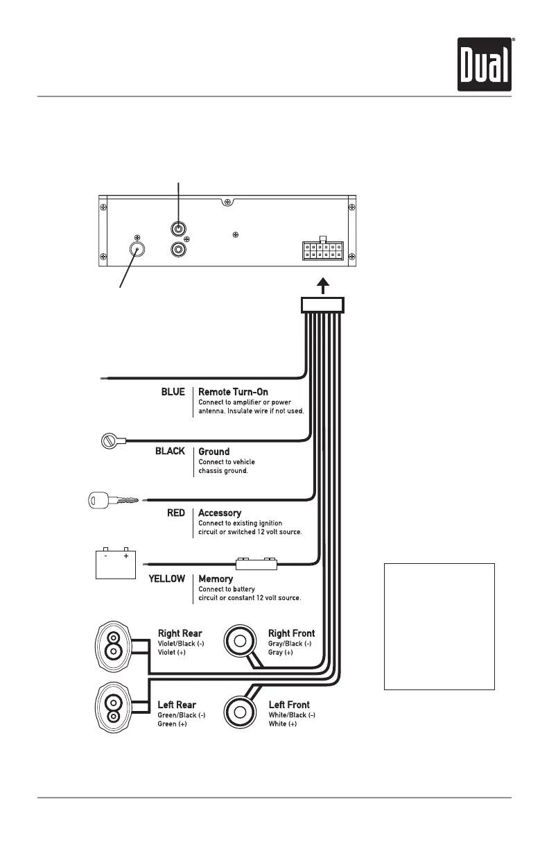
3
5 AMP
AGC Fuse
Rear Preamp Output
Connect to amplifier RCA input
Antenna Connector
Wiring Diagram
FUSE
Whenreplacingthefuse,
makesurenewfuseisthe
correcttypeandamperage.
Usinganincorrectfuse
coulddamagetheradio.The
MXR42 uses one 5 amp AGC
fuse located in-line.
* Caution-Donotattachanyspeakerleadstogroundasseveredamagewilloccur.
MXR42INSTALLATION

Related product manuals