EasyManua.ls Logo

Dufour 41 - Page 53

Default Icon
95 pages
Print Icon
To Next Page IconTo Next Page
To Next Page IconTo Next Page
To Previous Page IconTo Previous Page
To Previous Page IconTo Previous Page
Loading...
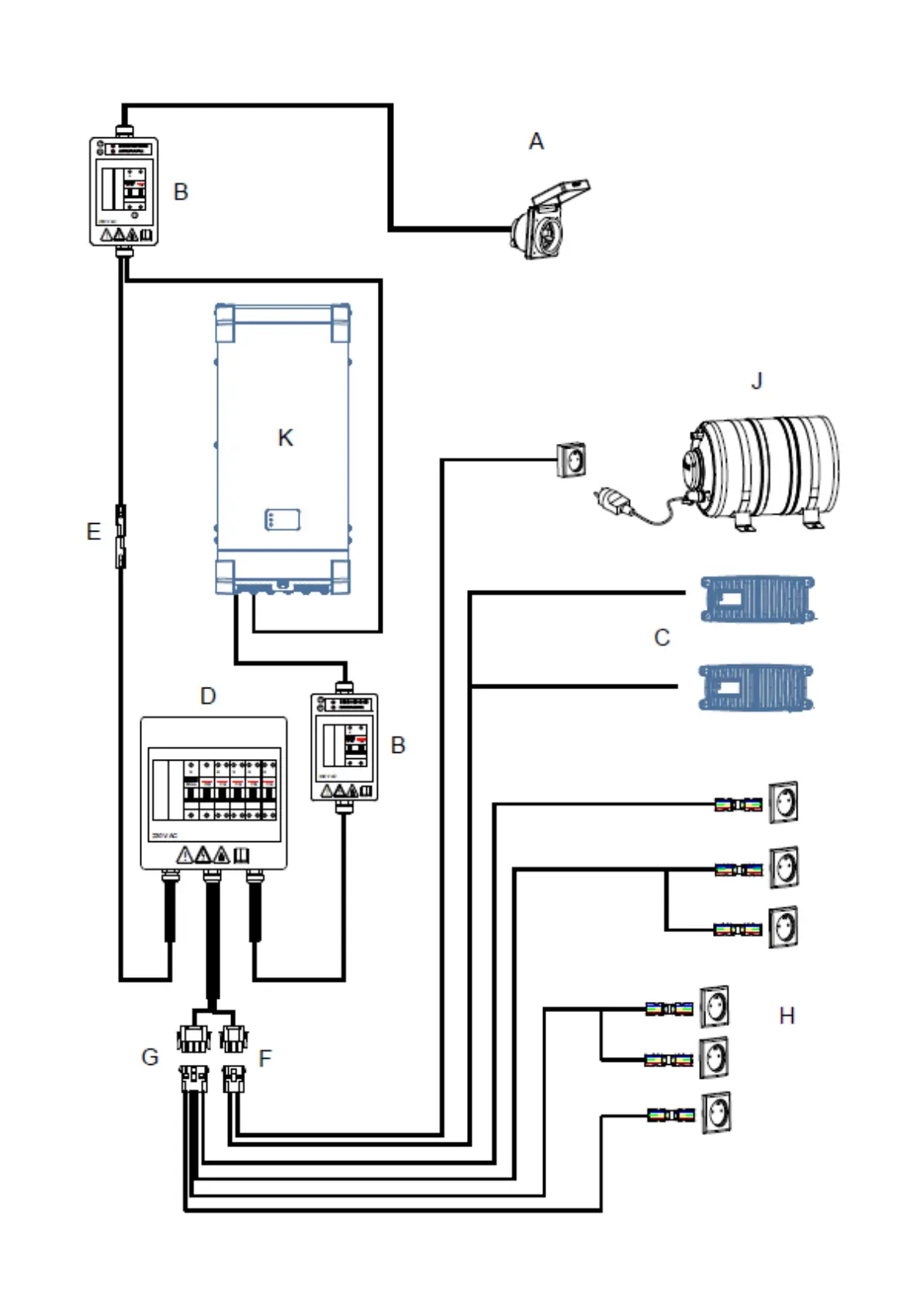
ENGLISH 11-07-2023 53/95 DUFOUR 41

Table of Contents

Related product manuals