EasyManua.ls Logo

Dufour CATAMARAN 48 - Plan of Electrical Loads and Power

Default Icon
91 pages
Print Icon
To Next Page IconTo Next Page
To Next Page IconTo Next Page
To Previous Page IconTo Previous Page
To Previous Page IconTo Previous Page
Loading...
60
DY CAT 48
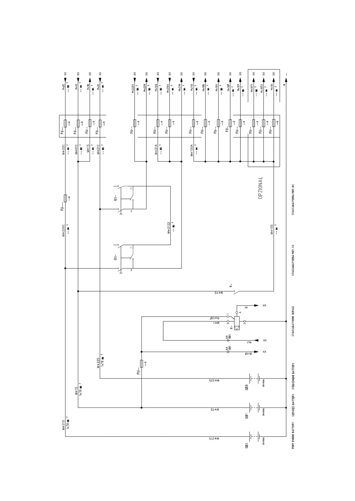
7. Plan of electrical loads and power

Related product manuals