EasyManua.ls Logo

Dunkirk DCBF-100 - Page 110

Dunkirk DCBF-100
138 pages
Print Icon
To Next Page IconTo Next Page
To Next Page IconTo Next Page
To Previous Page IconTo Previous Page
To Previous Page IconTo Previous Page
Loading...
27
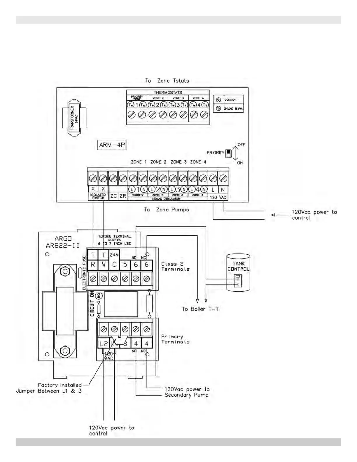
EXTERNAL BUFFER TANK - WIRING DIAGRAM
Buffer Tank Pump Wiring
Controlling A Primary Pump On A Combi Boiler With
Zone Pumps, Argo ARM 4P Zone Control and A822-II
PN 240012875 REV. B [07/01/2021]

Table of Contents

Related product manuals