EasyManua.ls Logo

Dunkirk DXL-125 - Wiring Diagram - Intermittent Ignition

Dunkirk DXL-125
32 pages
Print Icon
To Next Page IconTo Next Page
To Next Page IconTo Next Page
To Previous Page IconTo Previous Page
To Previous Page IconTo Previous Page
Loading...
16
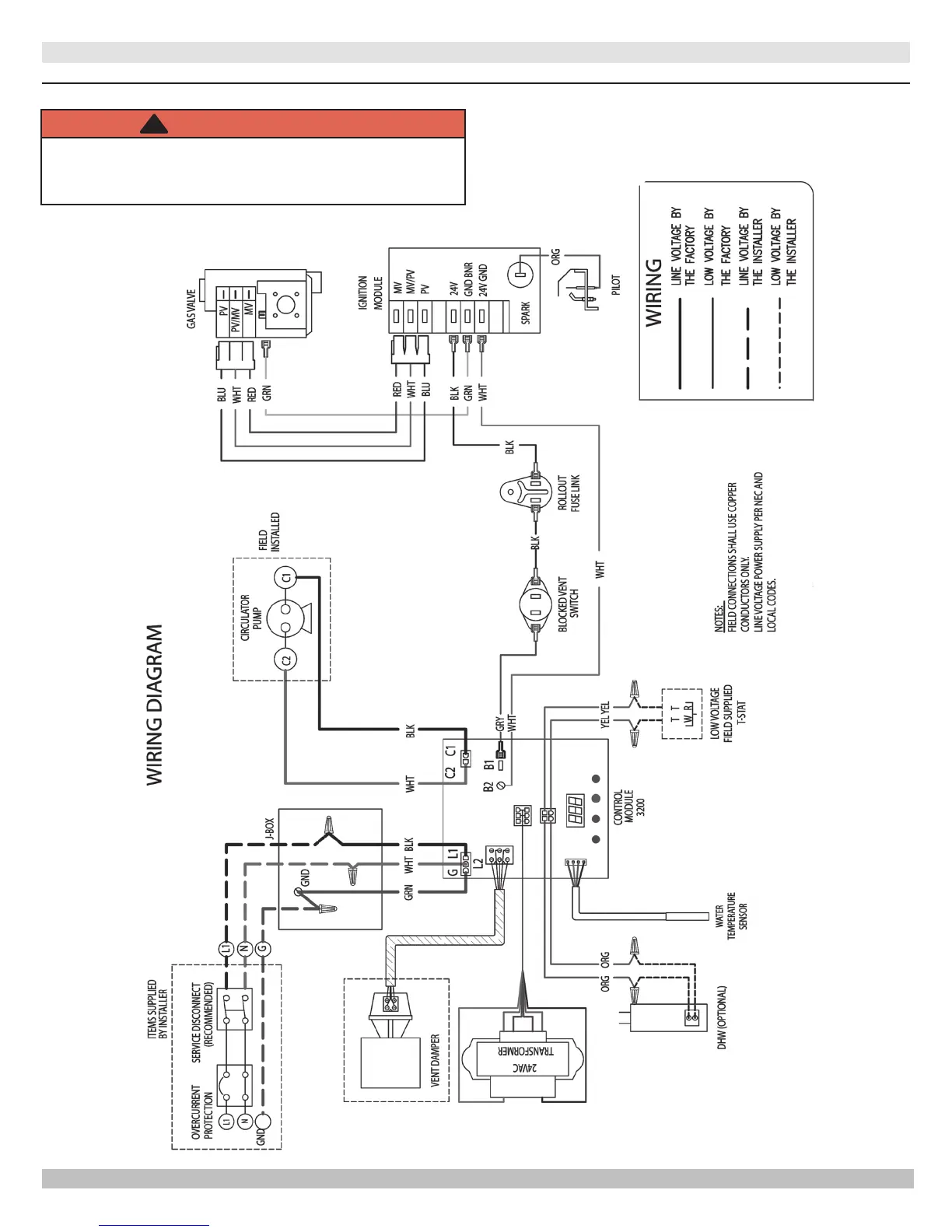
WIRING DIAGRAM - INTERMITTENT IGNITION
Figure 14 - Intermittent Electronic Ignition Control (240009076)
WARNING
Modication, substitution or elimination of factory
equipped, supplied or specied components may
result in personal injury or loss of life.
!
P/N 240009041, Rev. C [04/30/2017]

Related product manuals