EasyManua.ls Logo

DURASTAR DRAM30S1A - Electric Auxiliary Heating Diagrams; Wiring Diagrams for 5 KW, 8 KW;10 KW, and 15 KW Heaters

DURASTAR DRAM30S1A
56 pages
Print Icon
To Next Page IconTo Next Page
To Next Page IconTo Next Page
To Previous Page IconTo Previous Page
To Previous Page IconTo Previous Page
Loading...
R
DURASTAR.COM32
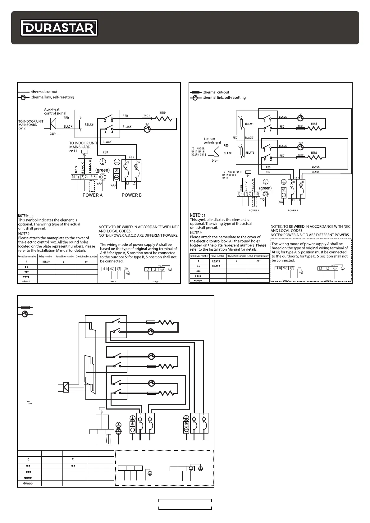
ELECTRIC AUXILIARY HEATING WIRING DIAGRAMS
5KW Wiring Diagram
8KW/ 10KW WIRING DIAGRAM
8KW/10KW WIRING DIAGRAM
RE D
YELLOW
BLACK
3
BLACK
BLACK
RED
RED
RED
RELAY4
RELAY1
RELAY2
BLACK
BLACK
BLUE
0
1
2
4
6
8
0
1
2
4
6
8
0
1
2
4
6
8
1
2
4
6
8
0
1
0
1
0
1
0
1
0
1
0
1
0
1
0
1
1
2
4
6
8
1
2
4
6
8
1
2
4
6
8
2
4
6
0
1
0
1
0
1
0
1
0
1
0
1
0
1
0
1
RED
15KW HEAT KIT
:THERMAL CUT-OUT
:THERMAL LINK, SELF-RESETTING
Aux-Heat
control signal
24V
Round hole number
Relay number
RELAY 1
RELAY 2
Relay number
RELAY 1
RELAY 2 CB2
Round hole number
RELAY 4
BLACK
BLACKRED
BLACK
CB1
3(S)
1(L1)
2(L2)
3(S)
1(L1)
2(L2)
TYPE A
L1
L2
TYPE B
Y/G
0000000000000000
1111111
Circuit breaker number
RED
BLACK
TCO1
TL1
2
4
6
8
2
4
6
8
2
4
6
8
2
4
6
8
2
4
6
8
2
4
6
8
2
4
6
8
2
4
6
RED
BLACK
TCO2
TL2
RED
BLACK
2 4
6 8
2 4
6 8
2 4
6 8
2 4
6 8
2 4
6 8
2 4
6 8
2 4
6
2 4
6
TCO3
TL3
L1
L2
CB1
L2
L1
CB CB
L1
L2
L2
L1
CB CB
CB2
POWER A
POWER B POWER C
NOTE2:
PLEASE ATTACH THE NAMEPLATE TO THE COVER OF
THE ELECTRIC CONTROL BOX. ALL THE ROUND HOLES
LOCATED ON THE PLATE REPRESENT NUMBERS. PLEASE
REFER TO THE INSTALLATION MANUAL FOR DETAILS.
NOTE1:
This symbol indicates the element is
optional, The wiring type of the actual
unit shall prevail.
NOTE3: TO BE WIRED IN ACCORDANCE WITH NEC
AND LOCAL CODES.
NOTE4: POWER A,B,C,D ARE DIFFERENT POWERS.
Y/G
(green)
Y/G
Y/G
Y/G
The wiring mode of power supply A shall be based on the type of original
wiring terminal of AHU; for type A, S position must be connected to the
ourdoor S; for type B, S position shall not be connected.
HEATER3
HEATER1
HEATER2
TO INDOOR UNIT
MAINBOARD
CN12
TO INDOOR UNIT
MAINBOARD
CN11
15KW WIRING DIAGRAM

Related product manuals