EasyManua.ls Logo

Eaglemaster E5 G7 - H1 12-Pin Connector Wiring

Eaglemaster E5 G7
39 pages
Print Icon
To Next Page IconTo Next Page
To Next Page IconTo Next Page
To Previous Page IconTo Previous Page
To Previous Page IconTo Previous Page
Loading...
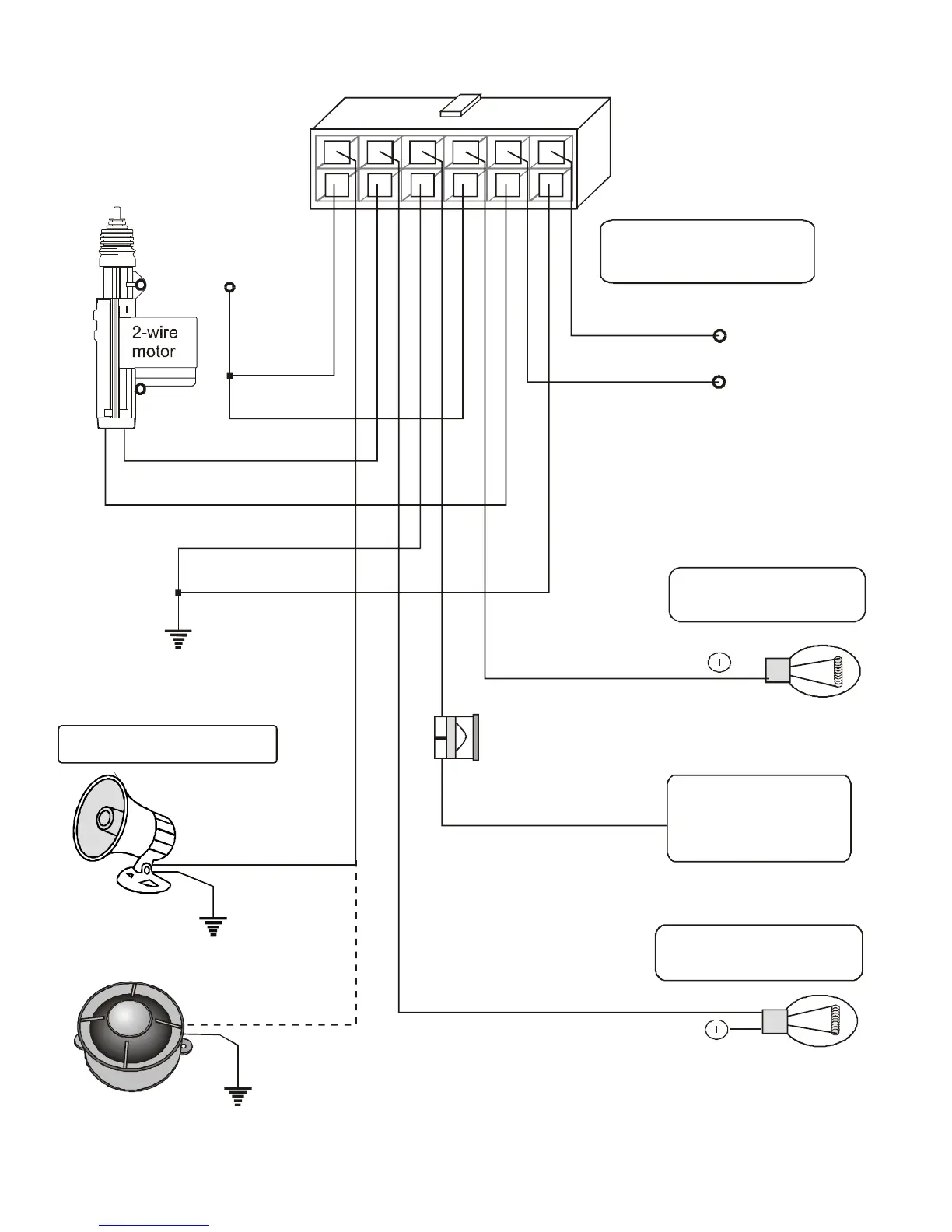
H1 12-PIN CONNECTOR WIRING:
Central door
lock wiring
+ 12V DC
(-) Ground
Blue/red
Green/red
Blue
Green
Blue/black
Green/black
Lock
Unlock
White (+/-)
Left parking light
of direction indicator
White (+/-)
Right parking light
of direction indicator
(-) Ground
(-) Ground
Brown(+)
Output to the (+) Siren
15 A
White/red (+)
Lights(+)or (-)
input ,for the parking
lights power sources
No board relay (40A )
Programme output
87-N/O
30-COM
Orange/white
Orange/white
RY-1
Horn
Or connect to Horn
Programmable
feature (F4)

Related product manuals