EasyManua.ls Logo

Eaglemaster E5 G7 - H2 16-Pin Connector Wiring

Eaglemaster E5 G7
39 pages
Print Icon
To Next Page IconTo Next Page
To Next Page IconTo Next Page
To Previous Page IconTo Previous Page
To Previous Page IconTo Previous Page
Loading...
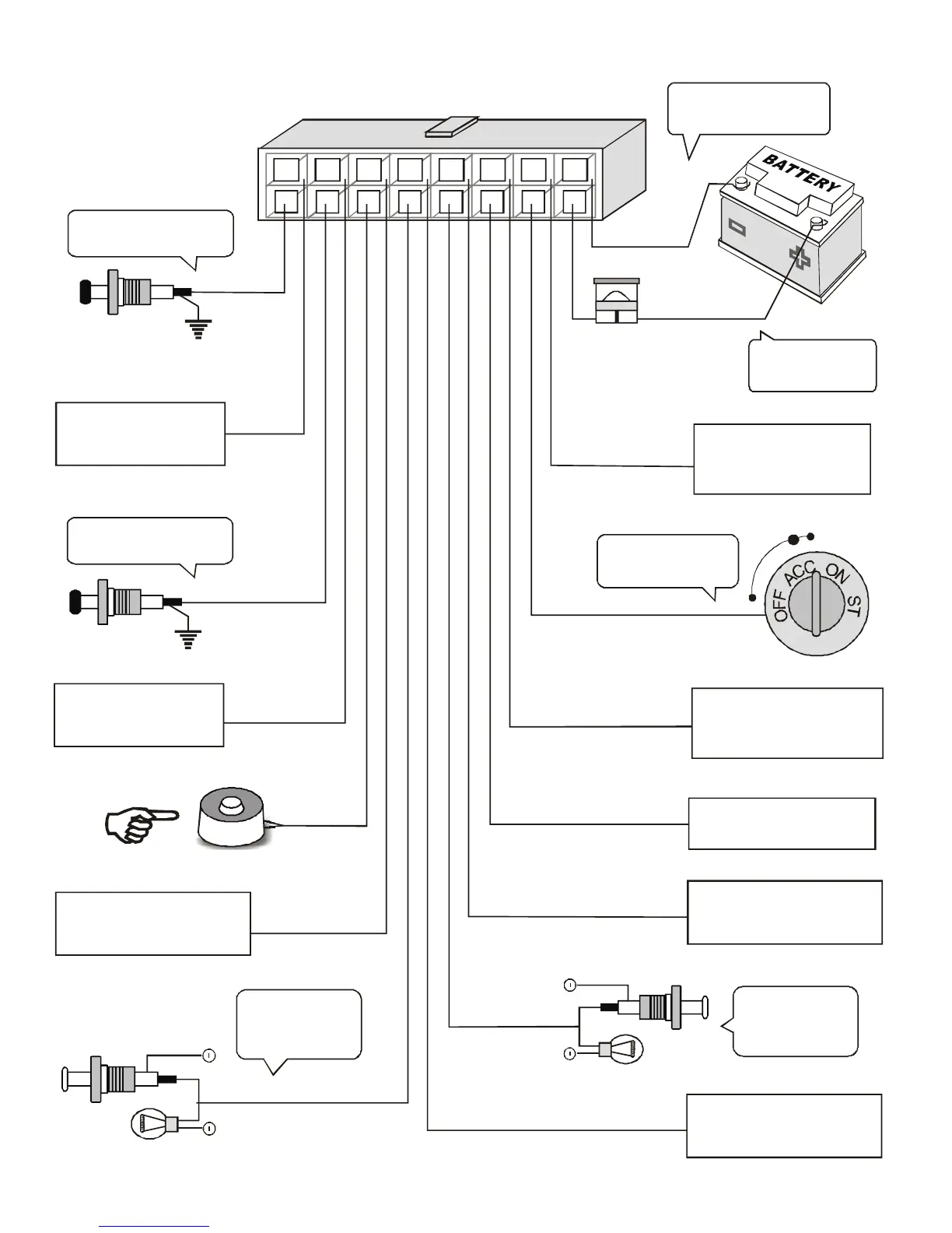
H2 16-PIN CONNECTOR WIRI NG:
1
8
9
16
Red (+)
10A fuse
Black(-)
Connect to Chassis
Ground (-)
(-) Orange
(-) Negative pulsed
when Armed output
(-) Negative pulsed
when Disarmed output
(+) Yellow
Connect (+) 12V
Ignition switch
(-) Orange/black
(+) Red/black
(+) positive switch
Programmable input
(-) White/black
(-) Negative pulsed
Programme output
(-) Negative pulsed
Programme output
(-) Negative pulsed
Programme output
(-) Negative pulsed
Programme output
(-) Negative pulsed
Programme output
CH-3
CH-5
CH-6
CH-7
CH-4
(+) Purple
Connect to (+)
Positive Door
Switch
(-) Yellow/black
(-) Green/white
Connect to (-)
Negative Door
Switch
DOOR(-)
(-)Gray/black
(-)Brown/black
(-) Gray
(-) Blue/white
Connect to (-) trunk
pin switch
Connect to (-) Hood
pin switch
Immobilizer-1
Immobilizer-2
Door (+)
Valet switch
(-) Pink
Connect to (+)
12Volts Battery

Related product manuals