EasyManua.ls Logo

Eaton 520 - NF Frame Breaker Connection Diagrams; NF Frame Master Connection Diagram

Eaton 520
42 pages
Print Icon
To Next Page IconTo Next Page
To Next Page IconTo Next Page
To Previous Page IconTo Previous Page
To Previous Page IconTo Previous Page
Loading...
35
Instruction Leaet IL01301051E
effective September 2013
Operating Manual for Series NRX
Trip Units - Digitrip™ 520/520M
EATON www.eaton.com
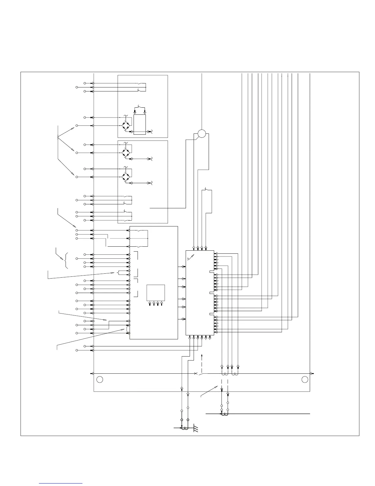
Appendix E: Typical breaker master connection diagram - NF
Figure 32.
2
1
4
3
2
1
AGND
LATCH CHECK
SWITCH (OPT.)
LCS COM
LCS BREAK
LCS MAKE
3
RX+
RX-
TX+
TX-
SHUNT
TRIP UNIT
UNDERSPRING
COIL
CLOSE
VOLTAGETRIPRELEASE
OVERCURRENT
TRIP SWITCH
PLUG-IN ACCESSORY TRAY
N1
N2
4
3
2
1
PH4
N
K10 K16 K9
1
2
1
3
5
GFSGND2
GFSGND1
ALARM2
RELAYCOM
ALARM1
N
4
3
2
1
1
2
5
6
1
1
2
5
6
2
5
6
K1 K2 K4K3
ABCN
K12
K5
IDENTIFICATION MODULE
K6 (24 PINS)
TRIP UNIT PLUG-IN CONNECTOR
RATING
PLUG
1
4
2
34
3
2
1
TA
+
GROUND
FAULT
SENSOR
SOURCE
EXTERNAL
NEUTRAL
SENSOR
BREAK1
COM1
MAKE1
MAKE2
COM2
BREAK2
ST1
ST2
UV1
UV2
SR2
SR1
BRIDGE & FRAME
G2
G1
1
TOP PIN
(OTS)
+24VDC
18 OHM
COIL
3
4
1
2
LCS
(LEFT POLE)
(LOCATED UNDER TRIP UNIT)
K15
40
41
42
21
22
LCB
LCM
LCC
AGND
+24V
27 ZOUT
28
29 ZIN
ZCOM
30 NC
23 CMM1
CMM325
26 CMM4
24 CMM2
SGF219
20 SGF1
ARMS233
34 ARMS1
ALM1
ALM213
12
11 ALMC
VN14
OT1M6
OT1B7
5OT1C
OT2M
OT2B8
10
9OT2C
ST11
2ST2
UV13
4UV2
SR236
SR135
16
15
N2
N1
18
17
G2
G1
6
5
N/C
N/C
4
3
MM_1
MM_2
(2X2)
(2X2)
(2X3)
5
6
3
4
3
4
3
4
1
4
5
8
(1X4)(1X3)
(SEE NOTE 10)
(SEE NOTE 10)
N
N
J1
J2
J1
J2
J4
J3
(MCR)
VB31
32 VC
30 VA
K17
(2X5)
2
3
1
4
5
6
VA
VB
VC
VN
DIGITRIP 1150
ONLY
SEE NOTE 7
SEE NOTE 9
SEE NOTE 9 SEE NOTE 11
SEE NOTE 12
SEE NOTE 5
SEE NOTE 13
Series NRX-NF frame (IZMX16/IZM91) breaker master connection diagram drawing number 6D32389 (continued next page)

Table of Contents

Related product manuals