EasyManua.ls Logo

Eaton 520 - RF Frame Breaker Connection Diagrams; RF Frame Master Connection Diagram

Eaton 520
42 pages
Print Icon
To Next Page IconTo Next Page
To Next Page IconTo Next Page
To Previous Page IconTo Previous Page
To Previous Page IconTo Previous Page
Loading...
37
Instruction Leaet IL01301051E
effective September 2013
Operating Manual for Series NRX
Trip Units - Digitrip™ 520/520M
EATON www.eaton.com
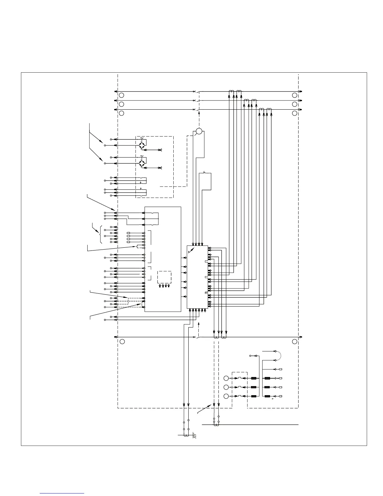
Appendix F: Typical breaker master connection diagram - RF
Figure 34.
REVISION
A
1
8
7
B
6
5
C
D
8
7
65
4
3
TWO PLACE DEC
ONE PLACE DEC
DIMENSIONS IN INCHES
THREE PLACE DEC
FORCE,TORQUE,SPEED
RESISTANCE
TIME
TEMPERATURE
AMPERAGE
ANGLES
VOLTAGE
±3°C/±5°F
±1%
±10%
±2%
TOOL REF
DSPEC
NEXT ASSY
±0.5
±10%
±5%
±
±
±
APPD
ENGR REF
APPD
SPECIFIED
UNLESS OTHERWISE
DRAFTER/DESIGNER
SHEET NO
2008 Eaton Corporation, All Rights Reserved
OF
2
C
PARTS LIST
SIZE
D
SCALE
TITLE
DATE
DWG NO
PRODUCT CODE
A
B
4
3
C
2
1
D
THIRD ANGLE
PROJECTION
SYMBOL DEFINITIONS
PER DRAWING 65A2750
X.XX±XX
DIMENSIONS TO BE INTERPRETED
IN ACCORDANCE WITH
EATON CORPORATION - CONFIDENTIAL AND PROPRIETARY
NOTICE TO PERSONS RECEIVING THIS DOCUMENT AND/OR TECHNICAL INFORMATION
THIS DOCUMENT, INCLUDING THE DRAWING AND INFORMATION CONTAINED THEREON,
IS CONFIDENTIAL AND IS THE EXCLUSIVE PROPERTY OF EATON CORPORATION,
AND IS MERELY ON LOAN AND SUBJECT TO RECALL BY EATON AT ANY TIME.
BY TAKING POSSESSION OF THIS DOCUMENT, THE RECIPIENT ACKNOWLEDGES AND AGREES THAT THIS DOCUMENT CANNOT
BE USED IN ANY MANNER ADVERSE TO THE INTERESTS OF EATON AND THAT NO PORTION OF THIS DOCUMENT MAY BE
COPIED OR OTHERWISE REPRODUCED WITHOUT THE PRIOR WRITTEN CONSENT OF EATON. IN THE CASE OF CONFLIC TING
CONTRACTUAL PROVISIONS, THIS NOTICE SHALL GOVERN THE STATUS OF THIS DOCUMENT.
NRX BREAKER
MASTER CONNECTION DIAGRAM
4000A
6D32424
RN SS-13687
12
6907
C.M.WERTZ
6-11-10
J.J.MATSKO
D.ALCHIER
0.1
0.02
0.005
DIELECTRIC
DISCONNECT
PLUG
(LEFT SIDE OF CB)
2
1
4
3
2
1
AGND
3
RX+
RX-
TX+
TX-
SHUNT
TRIP UNIT
UNDER
VOLTAGETRIP
OVERCURRENT
TRIP SWITCH
PLUG-IN ACCESSORY TRAY
N1
N2
4
3
2
1
PH4
N
PH1
A
PH2
B
PH3
C
4
3
2
1
4
3
2
1
4
3
2
1
K10K16 K9
1
2
1
3
5
GFSGND2
GFSGND1
ALARM2
RELAYCOM
ALARM1
N
4
3
2
1
1
2
5
6
1
1
2
5
6
2
5
6
K1 K2 K4K3
ABCN
K12
K5
IDENTIFICATION MODULE
K6 (24 PINS)
TRIP UNIT PLUG-IN CONNECTOR
RATING
PLUG
1
4
2
34
3
2
1
TA
+
GROUND
FAULT
SENSOR
SOURCE
EXTERNAL
NEUTRAL
SENSOR
BREAK1
COM1
MAKE1
MAKE2
COM2
BREAK2
ST1
ST2
UV1
UV2
BRIDGE & FRAME
G2
G1
1
TOP PIN
(OTS)
+24VDC
3
4
1
2
(LEFT POLE)
(LOCATED UNDER TRIP UNIT)
K15
21
22 AGND
+24V
27 ZOUT
28
29 ZIN
ZCOM
30 NC
23 CMM1
CMM325
26 CMM4
24 CMM2
SGF219
20 SGF1
ARMS233
34 ARMS1
ALM1
ALM213
12
11 ALMC
14
OT1M6
OT1B7
5OT1C
OT2M
OT2B8
10
9OT2C
ST11
2ST2
UV13
4 UV2
16
15
N2
N1
18
17
G2
G1
6
5
N/C
N/C
4
3
MM_1
MM_2
(2X2)
(2X2)
(2X3)
5
6
3
4
3
4
3
4
1
4
5
8
(1X4)(1X3)
N 246
N
135
J1
J2
J1
J2
(MCR)
31
32
30 VA
K17
(2X5)
2
3
1
4
5
6
VA
VB
VC
VN
DIGITRIP 1150
ONLY
8
9
10
42 ARCON3
41
40 ARCON1
ARCON2
ARCON_L
ARCON_T
ARCON_CMN
135
123
456
VA VB VC VN
K17-1
PT MODULE (DIGITRIP 1150 ONLY )
47
48
TO PT MODULE
TO
K17-2
TO
K17-3
TO
K17-4
TO
45
LN
1
56
TP2
SEE NOTE 7
SEE NOTE 9SEE NOTE 9
SEE NOTE 11
SEE NOTE 12
SEE NOTE 5
SEE NOTE 13
Series NRX-RF frame (IZMX40/IZM95) breaker master connection diagram drawing number 6D32424 (continued on next page)

Table of Contents