EasyManua.ls Logo

EBARA ESA200W - Page 30

EBARA ESA200W
92 pages
Print Icon
To Next Page IconTo Next Page
To Next Page IconTo Next Page
To Previous Page IconTo Previous Page
To Previous Page IconTo Previous Page
Loading...
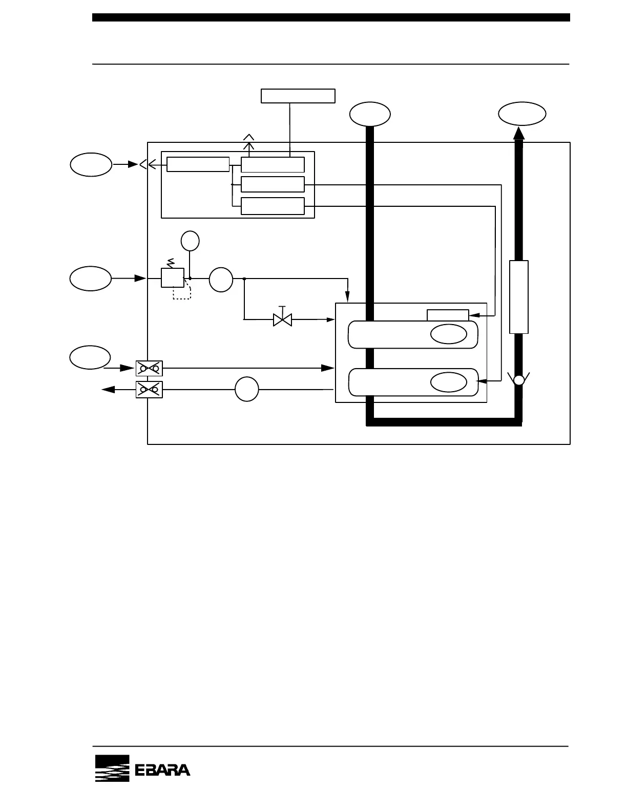
P.11
PM10U
EBARA
CORPORATION
Check
Valve
Power
Gas Inlet
Control Circuit
Gas Outlet
Pum
p
N2 Gas Flow Sensor
N2 Selector Valve
Pressure Gau
g
e
P
Re
g
ulator
N2 Gas
Motor Starter 1
Motor 1
Main Pum
p
(MP)
Motor Starter 2
Control
Connector
Circuit Breaker
LCD Controller
Cooling Water Flow Sensor
Water
FT2
FT1
Booster Pum
p
(BP
Motor 2
Driver 2
Silencer
Fig. 3.2 System Flow

Related product manuals