EasyManua.ls Logo

Echowell Ui 35 - Data Setting: Core Parameters; Unit, Clock, and Date Setting; RPM Setting

Echowell Ui 35
26 pages
Print Icon
To Next Page IconTo Next Page
To Next Page IconTo Next Page
To Previous Page IconTo Previous Page
To Previous Page IconTo Previous Page
Loading...
EN 03
or
A
B
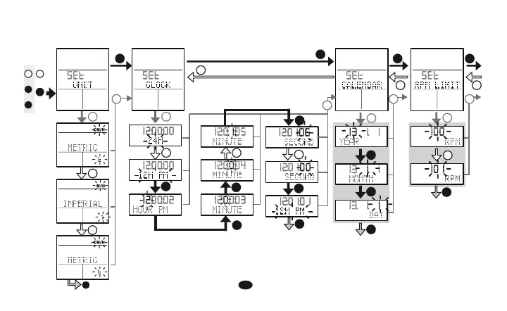
Data setting
ALL
CLEAR
(warm-up)
A
B
D
+
+
hold 1's
C
0. Unit Setting 1. Clock Setting 2. Date Setting 3. RPM Setting
A
A
A
A
A
C
C
C
A
A
A
A
B
B
B
B
D
B
B
B
B
B
D
D
C
C
C C
B
GENERAL MODE
GENERAL MODE
D
GENERAL MODE
GENERAL MODE
B

Related product manuals