EasyManua.ls Logo

Edwards EXT255H Series - Typical Pumping System with an Ext70 Hi or Ext255 Hi Pump

Edwards EXT255H Series
44 pages
Print Icon
To Next Page IconTo Next Page
To Next Page IconTo Next Page
To Previous Page IconTo Previous Page
To Previous Page IconTo Previous Page
Loading...
© Edwards Limited 2008. All rights reserved. Page 17
Edwards and the Edwards logo are trademarks of Edwards Limited.
Installation
B722-20-880 Issue D
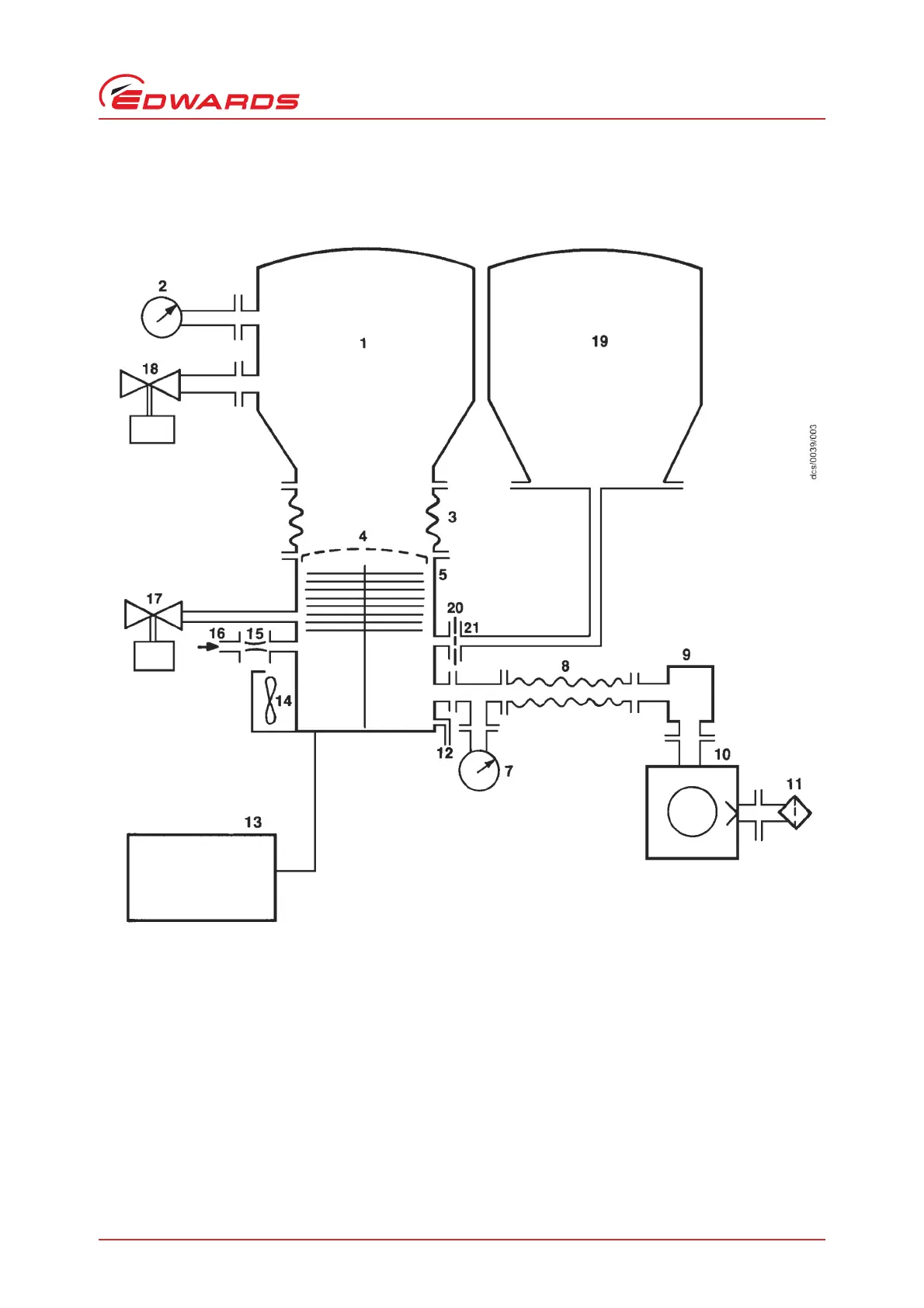
Figure 5 - Typical pumping system with an EXT70Hi or EXT255Hi pump
1. Vacuum chamber 1
2. High-vacuum gauge
3. Vibration isolator
4. Inlet-screen
5. EXT pump
6. Not used
7. Vacuum gauge
8. Flexible bellows
9. Foreline trap
10. Rotary backing-pump
11. Mist filter
12. Cooling-water connectors
13. EXDC drive module
14. Air-cooler
15. PRX10 purge restrictor
*
16. Regulated purge gas supply
*
17. Vent-valve
18. Alternative position for vent-valve
19. Vacuum chamber 2
20. Inlet-strainer
21. Interstage-port
*
EXT255Hi only

Table of Contents

Related product manuals