EasyManua.ls Logo

EFOY GO! - 3 Overzicht EFOY GO; Aansluitingen

EFOY GO!
Print Icon
To Next Page IconTo Next Page
To Next Page IconTo Next Page
To Previous Page IconTo Previous Page
To Previous Page IconTo Previous Page
Loading...
Overzicht
EFOY GO!
Pagina 106
Nederlands
3 Overzicht EFOY GO!
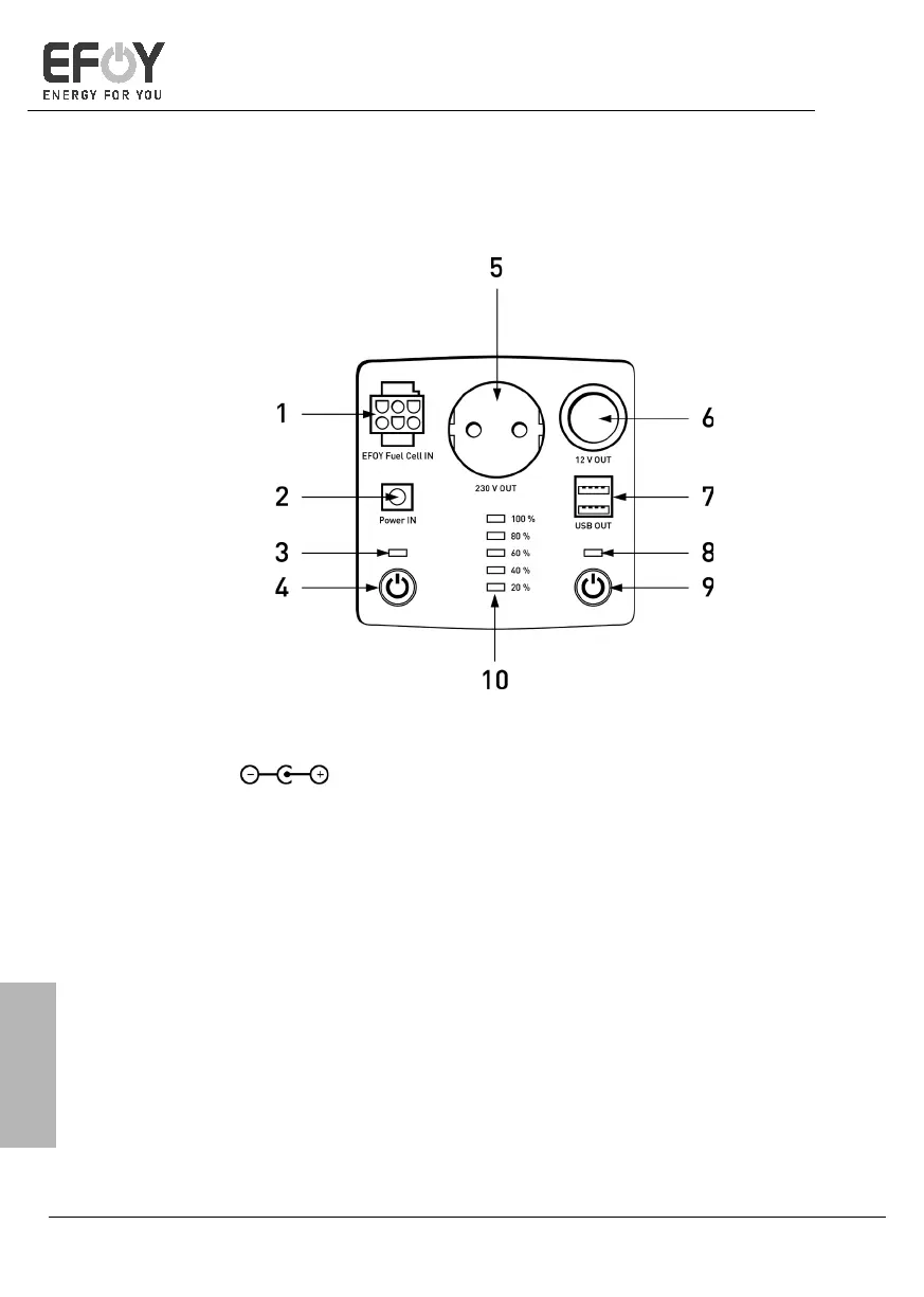
3.1 Aansluitingen
1 EFOY Fuel Cell IN
2 Power IN
3 Indicatielampje (230 V OUT)
4 Power ON / OFF (230 V OUT)
5 230 V OUT
6 12 V OUT
7 USB OUT
8 Indicatielampje
(12 V OUT & USB OUT)
9 Power ON / OFF
(12 V OUT & USB OUT)
10 Accu-niveau
1 EFOY Fuel Cell IN
Aansluiting voor het opladen van de EFOY GO! met de EFOY COMFORT brandstofcel.
2 Power IN
Aansluiting voor het opladen van de EFOY GO! met de meegeleverde voeding, de
autolaadkabel of, indien van toepassing, een los verkrijgbaar zonnepaneel.
3 Indicatielampje (230 V OUT (230 V OUT)
Statusweergave van de aan/uitknop voor 230V OUT

Table of Contents

Related product manuals