EasyManua.ls Logo

EFOY GO! - 3 Übersicht EFOY GO; Anschlüsse

EFOY GO!
Print Icon
To Next Page IconTo Next Page
To Next Page IconTo Next Page
To Previous Page IconTo Previous Page
To Previous Page IconTo Previous Page
Loading...
Übersicht EFOY GO!
Seite 8
Deutsch
3 Übersicht EFOY GO!
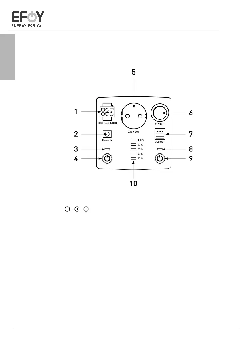
3.1 Anschlüsse
1 EFOY Fuel Cell IN
2 Power IN
3 Betriebsanzeige (230 V OUT)
4 Power ON / OFF (230 V OUT)
5 230 V OUT
6 12 V OUT
7 USB OUT
8 Betriebsanzeige
(12 V OUT & USB OUT)
9 Power ON / OFF
(12 V OUT & USB OUT)
10 Akku-Anzeige
1 EFOY Fuel Cell IN
Anschluss zum Aufladen der EFOY GO! mit der EFOY COMFORT Brennstoffzelle
2 Power IN
Anschluss zum Aufladen der EFOY GO! über das mitgelieferte Netzteil, das
Autoladekabel oder ggf. ein zusätzlich erhältliches Solarpanel
3 Betriebsanzeige (230 V OUT)
Statusanzeige der Ein- / Aus Taster 230 V OUT

Table of Contents

Related product manuals