EasyManua.ls Logo

EFOY GO! - 3 Présentation de Lefoy GO; Raccords

EFOY GO!
Print Icon
To Next Page IconTo Next Page
To Next Page IconTo Next Page
To Previous Page IconTo Previous Page
To Previous Page IconTo Previous Page
Loading...
Consignes de sécurité
Page 47
Français
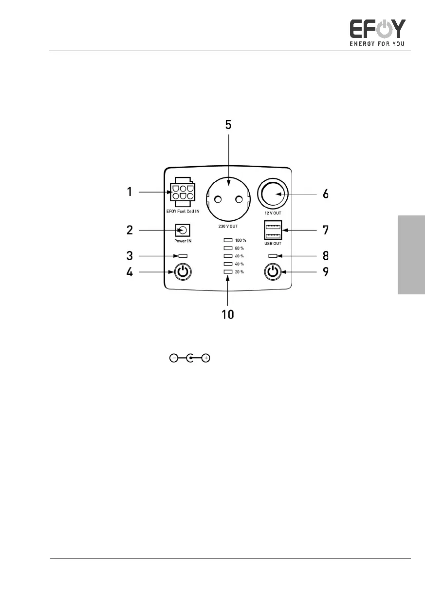
3 Présentation de l'EFOY GO!
3.1 Raccords
1 Entrée pile à combustible EFOY
2 Entrée de l'alimentation
3 moin de fonctionnement (sortie
230 V)
4 Mise sous / hors tension (ON / OFF)
(sortie 230 V)
5 Sortie 230 V
6 Sortie 12 V
7 Sortie USB
8 moin de fonctionnement
(Sortie 12 V et sortie USB)
9 Mise sous / hors tension (ON /
OFF)
(sortie 12 V et sortie USB)
10 Témoin de charge
1 Entrée pile à combustible EFOY
Raccord pour la charge de l'EFOY GO! à l'aide de la pile à combustible EFOY
COMFORT

Table of Contents

Related product manuals