EasyManua.ls Logo

EFOY GO! - 3 Panoramica EFOY GO; Collegamenti

EFOY GO!
Print Icon
To Next Page IconTo Next Page
To Next Page IconTo Next Page
To Previous Page IconTo Previous Page
To Previous Page IconTo Previous Page
Loading...
Panora
mica EFOY GO!
Pagina 67
Italiano
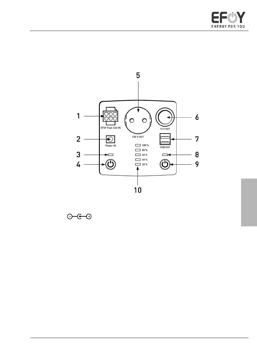
3 Panoramica EFOY GO!
3.1 Collegamenti
1 EFOY Fuel Cell IN
2 Power IN
3 Indicatore di funzionamento (230 V
OUT)
4 Power ON / OFF (230 V OUT)
5 230 V OUT
6 12 V OUT
7 USB OUT
8 Indicatore di funzionamento
(12 V OUT & USB OUT)
9 Power ON / OFF
(12 V OUT & USB OUT)
10 Indicatore batteria
1 EFOY Fuel Cell IN
Collegamento per caricamento di EFOY GO! con la cella a combustibile EFOY
COMFORT
2 Power IN
Collegamento per il caricamento di EFOY GO! tramite l'alimentatore fornito, il
caricabatterie per auto o un pannello solare, disponibile a parte

Table of Contents

Related product manuals