EasyManua.ls Logo

EFOY GO! - 3 Resumen de EFOY GO; Conexiones

EFOY GO!
Print Icon
To Next Page IconTo Next Page
To Next Page IconTo Next Page
To Previous Page IconTo Previous Page
To Previous Page IconTo Previous Page
Loading...
Resumen de EFOY GO!
Página 87
Español
3 Resumen de EFOY GO!
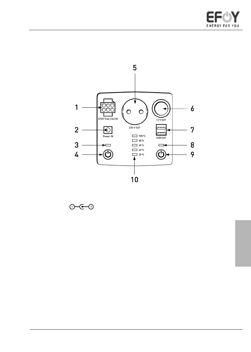
3.1 Conexiones
1 EFOY Fuel Cell IN
2 Power IN
3 Indicador de funcionamiento (230 V
OUT)
4 Power ON / OFF (230 V OUT)
5 230 V OUT
6 12 V OUT
7 USB OUT
8 Indicador de funcionamiento
(12 V OUT & USB OUT)
9 Power ON / OFF
(12 V OUT & USB OUT)
10 Indicador de batería
1 EFOY Fuel Cell IN
Conexión para carga del dispositivo EFOY GO! con la pila de combustible EFOY
COMFORT
2 Power IN
Conexión para carga del dispositivo EFOY GO! a través de la fuente de alimentación
suministrada, el cable de carga de coche o, en caso necesario, un panel solar que
puede adquirirse adicionalmente.

Table of Contents

Related product manuals