EasyManua.ls Logo

EFOY GO! - 3 Yhteenveto EFOY GO! -Laitteesta; Liitännät

EFOY GO!
Print Icon
To Next Page IconTo Next Page
To Next Page IconTo Next Page
To Previous Page IconTo Previous Page
To Previous Page IconTo Previous Page
Loading...
Yhteenveto EFOY GO! -
laitteesta
Sivu 180
Suomi
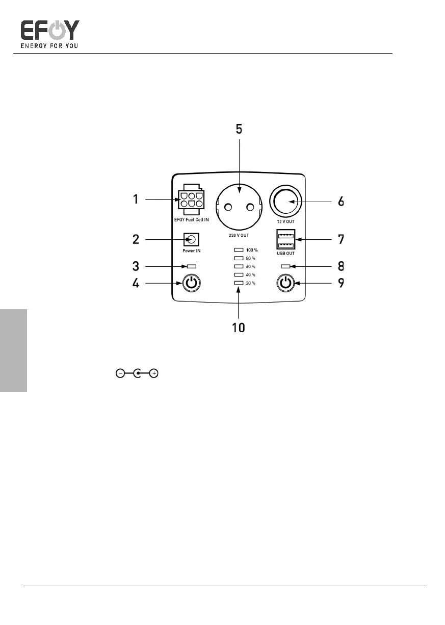
3 Yhteenveto EFOY GO! -laitteesta
3.1 Liitännät
1 EFOY Fuel Cell IN
2 Power IN
3 Virran merkkivalo (230 V OUT)
4 Power ON / OFF (230 V OUT)
5 230 V OUT
6 12 V OUT
7 USB OUT
8 Virran merkkivalo
(12 V OUT & USB OUT)
9 Power ON / OFF
(12 V OUT & USB OUT)
10 Akun merkkivalo
1 EFOY Fuel Cell IN
Liitäntä EFOY GO! -laitteen laatamiseksi EFOY COMFORT -polttokennolla
2 Power IN
Liitäntä EFOY GO! -laitteen laatamiseksi mukana toimitetun verkkosovittimen,
autolaturikaapelin tai mahdollisesti lisäksi käytettävissä olevan aurinkopaneelin
kautta

Table of Contents

Related product manuals