EasyManua.ls Logo

Electra Alpha 7 - Wiring Diagrams; Indoor Unit Wiring

Electra Alpha 7
168 pages
Print Icon
To Next Page IconTo Next Page
To Next Page IconTo Next Page
To Previous Page IconTo Previous Page
To Previous Page IconTo Previous Page
Loading...
8-1
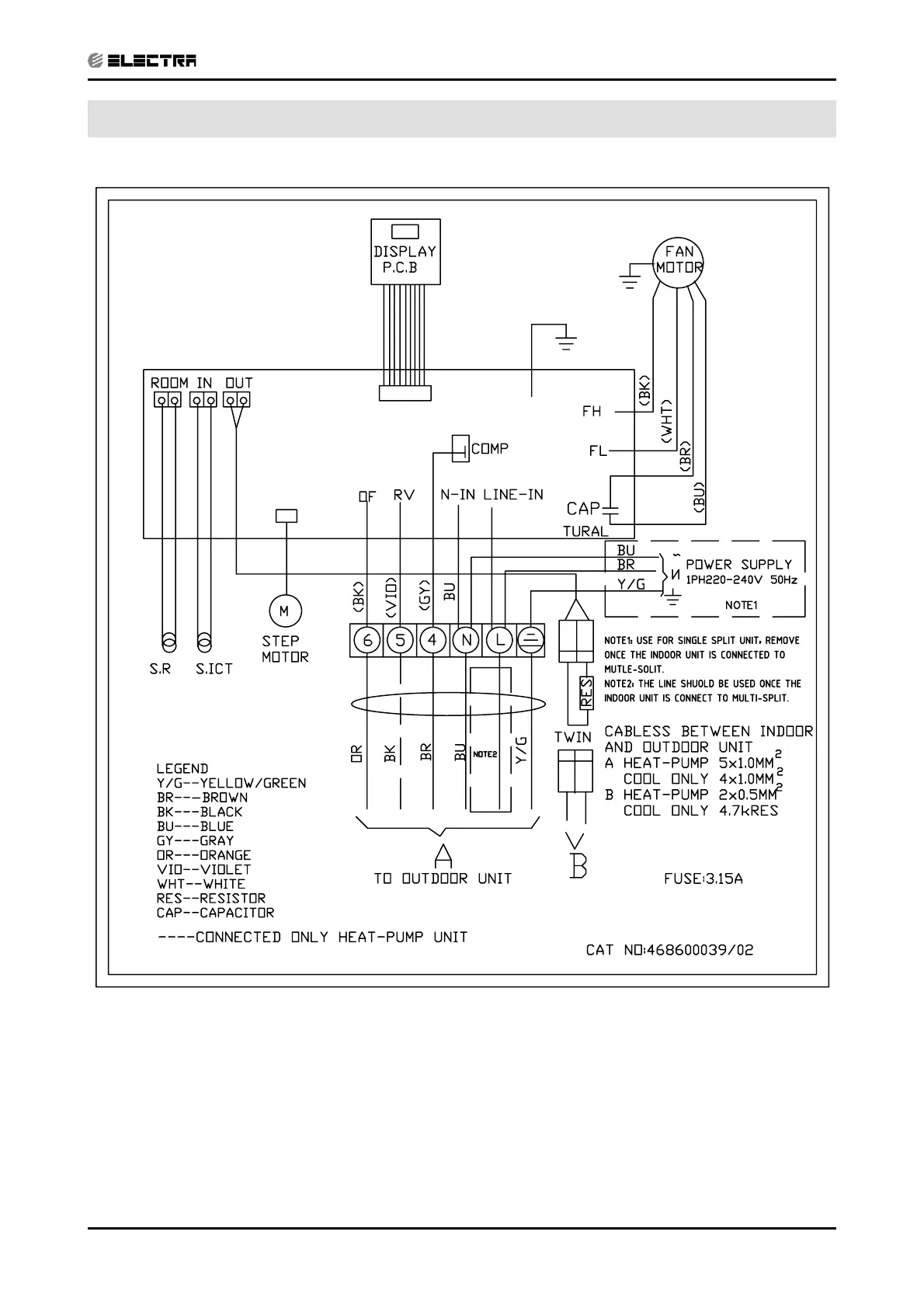
WIRING DIAGRAMS
SM ALPHA 1-E.3 GB
8. WIRING DIAGRAMS
8.1 Indoor Unit: Alpha / Delta 7,9,12
CONTENT

Related product manuals