EasyManua.ls Logo

Electra WNG 9 - Outdoor Unit OU10-36 RC 1 PH

Electra WNG 9
548 pages
Print Icon
To Next Page IconTo Next Page
To Next Page IconTo Next Page
To Previous Page IconTo Previous Page
To Previous Page IconTo Previous Page
Loading...
14-57
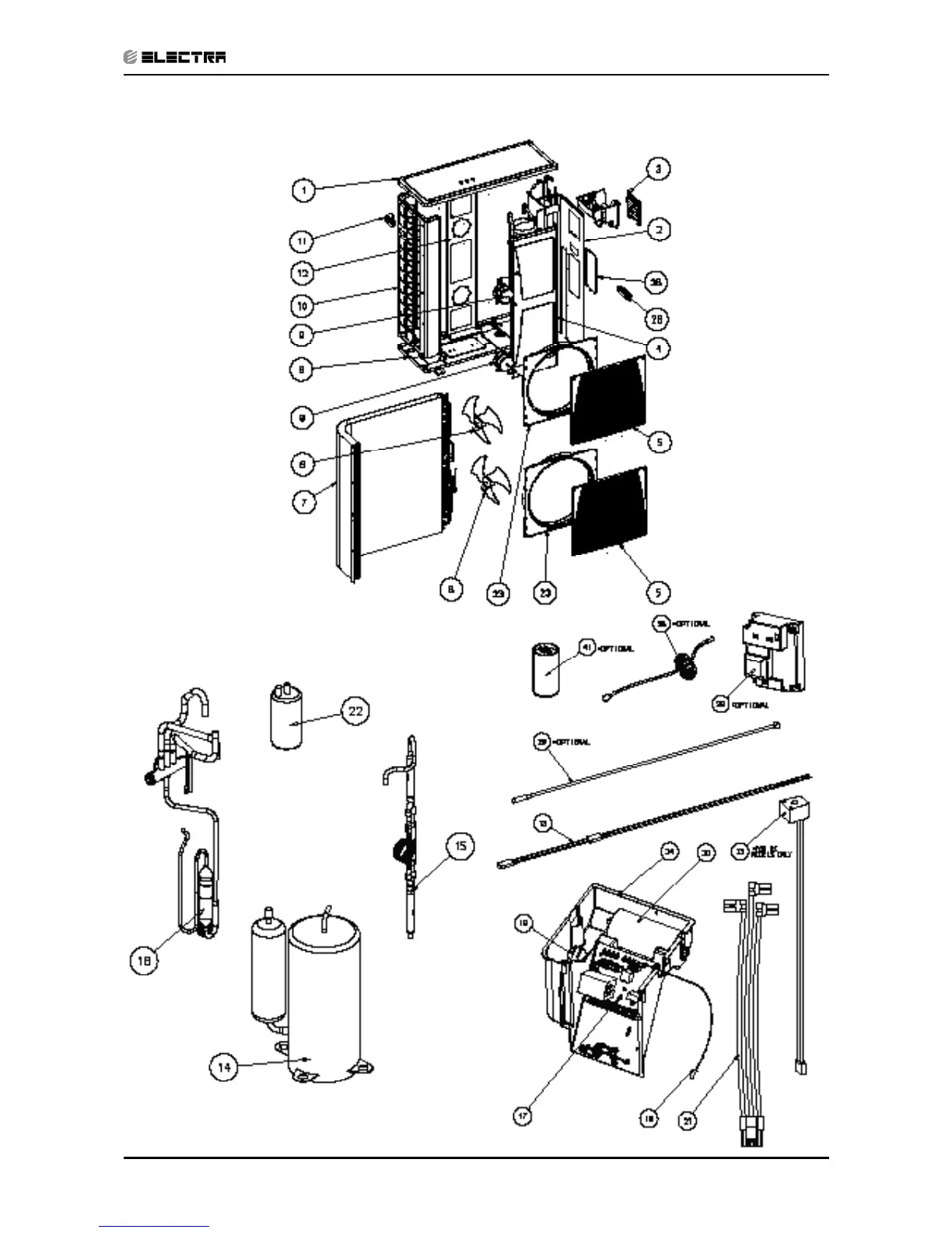
EXPLODED VIEWS AND SPARE PARTS LISTS
Revision Y05-03Service Manual - WNG
14.1.57 Outdoor Unit OU10-36 RC 1PH

Table of Contents

Related product manuals