EasyManua.ls Logo

Electro-Voice ELX112 - Recommended Configurations: Stereo ELX215

Electro-Voice ELX112
16 pages
To Next Page IconTo Next Page
To Next Page IconTo Next Page
To Previous Page IconTo Previous Page
To Previous Page IconTo Previous Page
Loading...
Electro-Voice Live X Series Passive Owners Manual 9
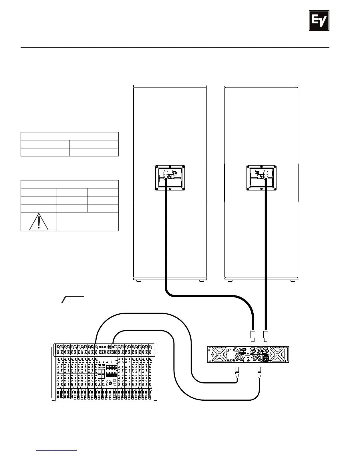
Recommended Configurations (cont’)
Basic Stereo System using ELX215’s
Mixer
Q66
Amplier
Output A
ELX215
Output B
Input A
Input B
35 Hz
Amplifier Load (per Output Channel)
# of Speakers Nominal Minimum
1 4 Ohms 3.7 Ohms
2 2 Ohms 1.9 Ohms
Caution: Do not exceed the
maximum load rating of
the amplifier.
low pass
filter (from
mixer or
processor)
ELX215
NL4 Pin Configuration
Pins 1+ and 1- Used
Pins 2+ and 2- Not Used

Related product manuals