EasyManua.ls Logo

Electrolux 7000 - Sample Wiring Diagram for Gas Models

Electrolux 7000
84 pages
Print Icon
To Next Page IconTo Next Page
To Next Page IconTo Next Page
To Previous Page IconTo Previous Page
To Previous Page IconTo Previous Page
Loading...
12
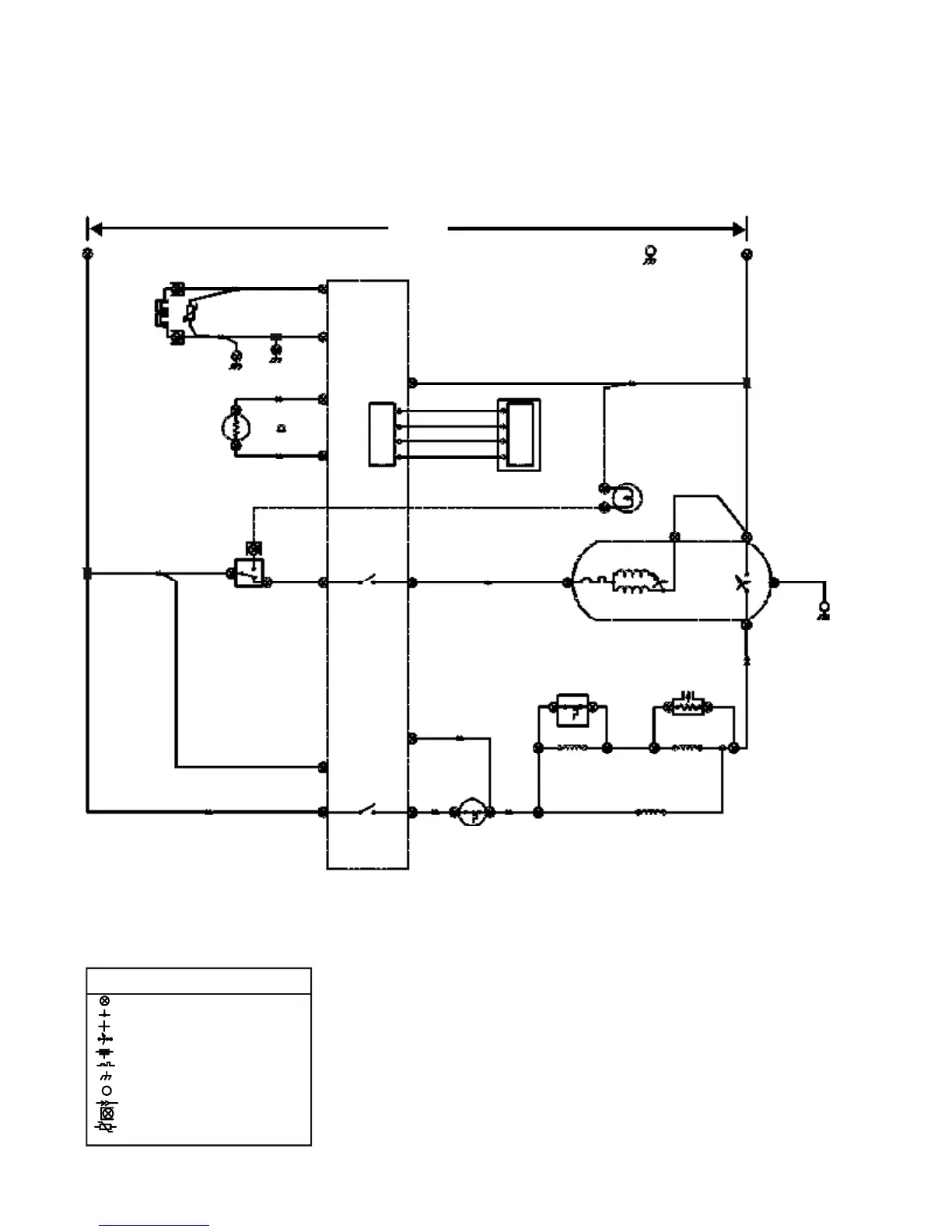
SAMPLE WIRING DIAGRAM FOR GAS MODELS
CAUTION: DISCONNECT ELECTRIC CURRENT BEFORE SERVICING. LABELALL WIRES PRIOR TO
DISCONNECTION WHEN SERVICING CONTROLS. WIRING ERRORS CAN CAUSE IMPROPER AND
DANGEROUS OPERATION. VERIFY PROPER OPERATION AFTER SERVICING.
WIRING CODES
QUICK DISCONNECT TERMINALS
CONNECTION
NO CONNECTION
MOTOR SWITCH
SPLICE
MOTOR PROTECTOR
CHASSIS (CABINET) GROUND
SCREW TERMINAL
HARNESS CONNECTOR TERMINAL
INSULATED TERMINAL
TRANSIENT VOLT SUPPRESSOR
NOTES:
1. ALL WIRING MUST CONFORM TO LOCAL
ELECTRICAL CODES.
2. CONNECT DRYER TO A 30 AMPERE
INDIVIDUAL BRANCH CIRCUIT.
3. CONTROL SHOWN IN THE OFF POSITION, DOOR
SWITCH CLOSED & MOTOR AT REST.
NOTE: DASHED
LINES INDICATE
CIRCUITS THAT ARE
NOT IN ALL MODELS
120VAC
CONTACT
SENSOR
CABINET
L1
N
RED
RED
RED
CONTROL
THERMISTER
50k
BLUE
GREEN
CABINET
CABINET
RED
BLACK
WHITE
WHITE
WHITE
WHITE
WHITE
DRUM
LIGHT
START
RUN
MOTOR
GRAY
MOTOR
RELAY
DOOR
SWITCH
FLAME
SENSOR
IGNITER
SECONDARY
COIL
BOOSTER
COIL
HI LIMIT
THERMOSTAT
HOLDING
COIL
GASVALVE
ASSEMBLY
OR
OR
HEATER
RELAY
BLACK
COM
NO
BLACK
YELLOW
YELLOW
M1
M2
M4
M5
RED/BLK
J2-3
J2-1
J4-2
J4-1
TAN
ORANGE/BLACK
COM
NO
NC
C4.1
C4.2
C4.2
C4.1
C4.3
C4.3
C4.4
C4.4
CABINET
BASE
ELECTRONIC
CONTROL
BOARD
J2-8
J2-7
J2-4
J2-5
J2-2
J3
J3B

Table of Contents

Related product manuals