EasyManua.ls Logo

Electrolux Compact - Wiring Diagrams (DSC 14); Main Wiring Schematic; Component Wire Connections

Electrolux Compact
42 pages
Print Icon
To Next Page IconTo Next Page
To Next Page IconTo Next Page
To Previous Page IconTo Previous Page
To Previous Page IconTo Previous Page
Loading...
- 22 -
Spares Operation - R.Kurzke 02/03 599 516 219 EN
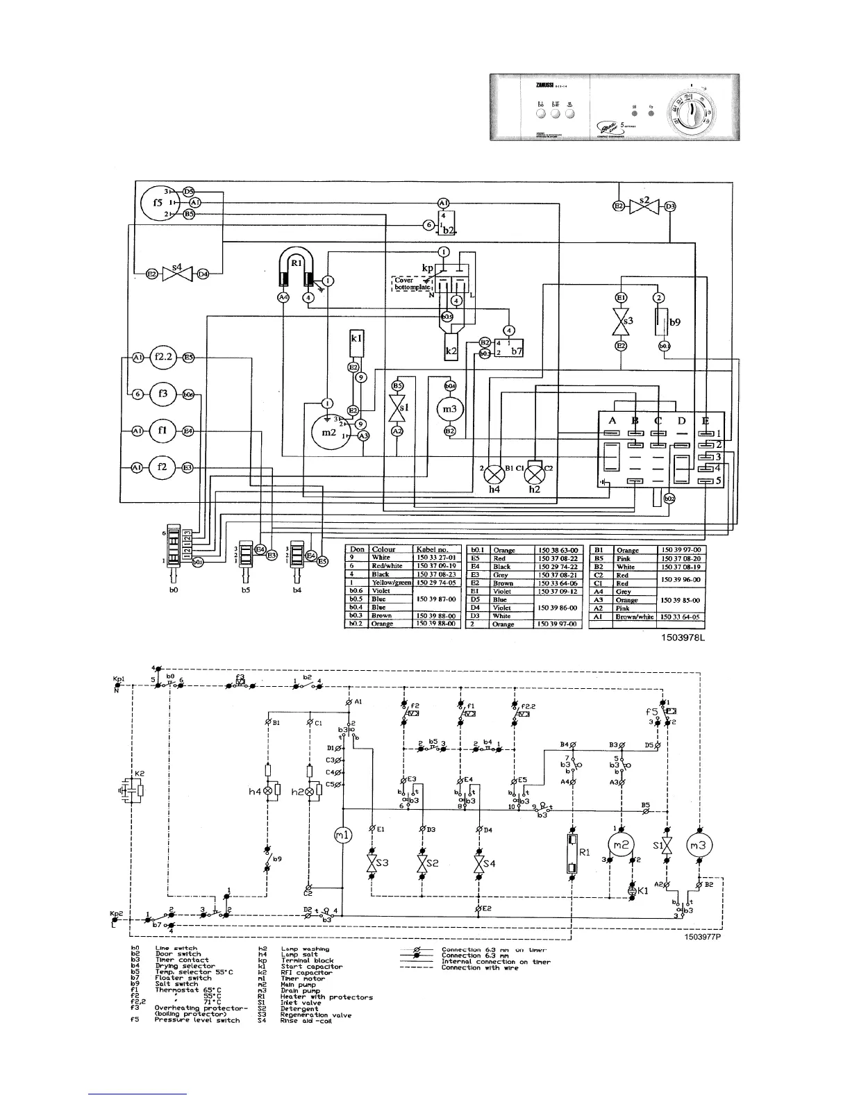
14. Wirings (Example DSC 14)

Related product manuals