EasyManua.ls Logo

Electrolux EDW 503 - 7 Water Inlet

Electrolux EDW 503
42 pages
Print Icon
To Next Page IconTo Next Page
To Next Page IconTo Next Page
To Previous Page IconTo Previous Page
To Previous Page IconTo Previous Page
Loading...
- 14 -
Spares Operation - R.Kurzke 11/06 599 528 133 EN
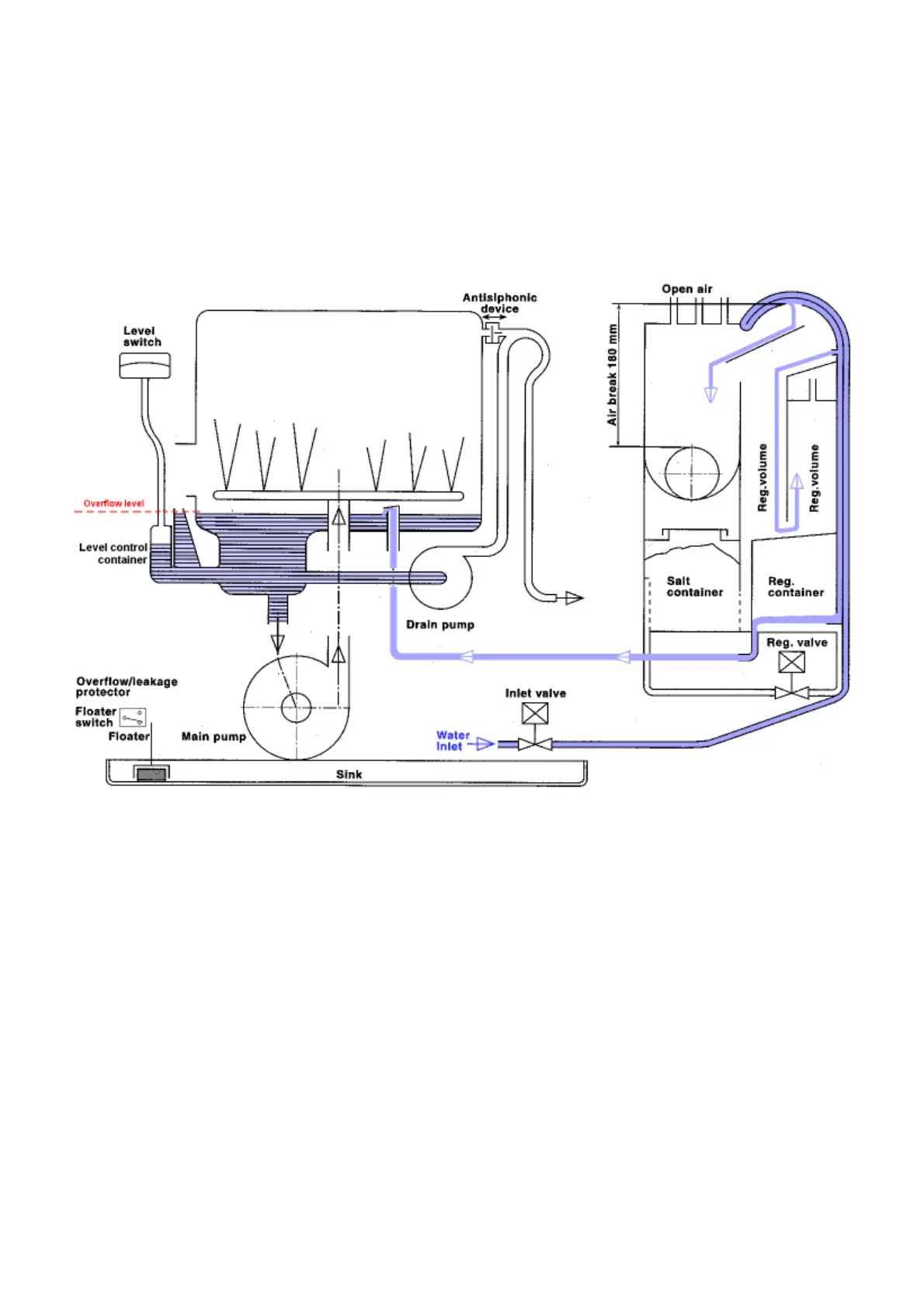
7. Water Inlet
The water flows into the regeneration dosage chamber via inlet valve, over air break, into
regeneration dosage chambers and into softener
The level control container operates the pressure switch.

Related product manuals