EasyManua.ls Logo

Electrolux EDW 503 - Temperature and Safety Systems; Heater Element Power; Safety System Operation; Integrated Overheating Protection

Electrolux EDW 503
42 pages
Print Icon
To Next Page IconTo Next Page
To Next Page IconTo Next Page
To Previous Page IconTo Previous Page
To Previous Page IconTo Previous Page
Loading...
- 21 -
Spares Operation - R.Kurzke 11/06 599 528 133 EN
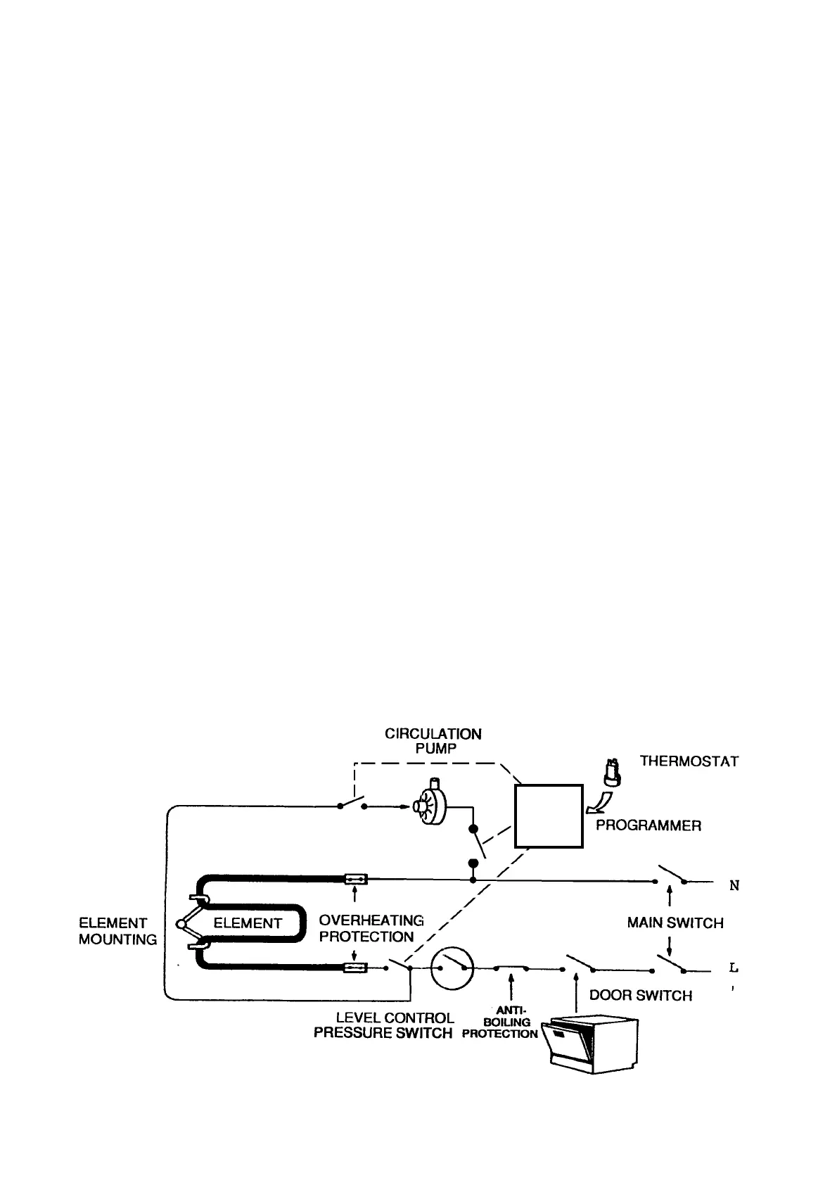
14. Temperature control and safety Systems
The dishwashing detergents available on the market today require a certain water temperature before
they can dissolve the food residues in a satisfactory way.
A temperature control system consisting of a heater element and thermostats ensures that the
water will be heated to the correct temperature.
Heater elements is 1200 watt.
In addition, the machine includes a safety system, the function of which is to protect the temperature
control System against accidental overheating.
The overheating safety system is very important. Several components and systems are involved in
different ways.
The following conditions must be satisfied before the element can be switched in:
The rnain switch must be closed, the door must be closed so that the door switch is closed,
and a Programme must have started.
The machine must contain the correct amount of water (as determined by the level control
pressure switch).
The safety system will trip if
The quantity of water is insufficient.
The water temperature has risen to about 85°C without the thermostat tripping.
In addition, two overheating protections are incorporated into the element, i.e. one at each connection
end.
These are designed so that they will burn off if the element is switched on but has no cooling water
around it.
EDW 503

Related product manuals