EasyManua.ls Logo

Electrolux EI24MO45IBA - Page 14

Electrolux EI24MO45IBA
44 pages
Print Icon
To Next Page IconTo Next Page
To Next Page IconTo Next Page
To Previous Page IconTo Previous Page
To Previous Page IconTo Previous Page
Loading...
Operation
2-2
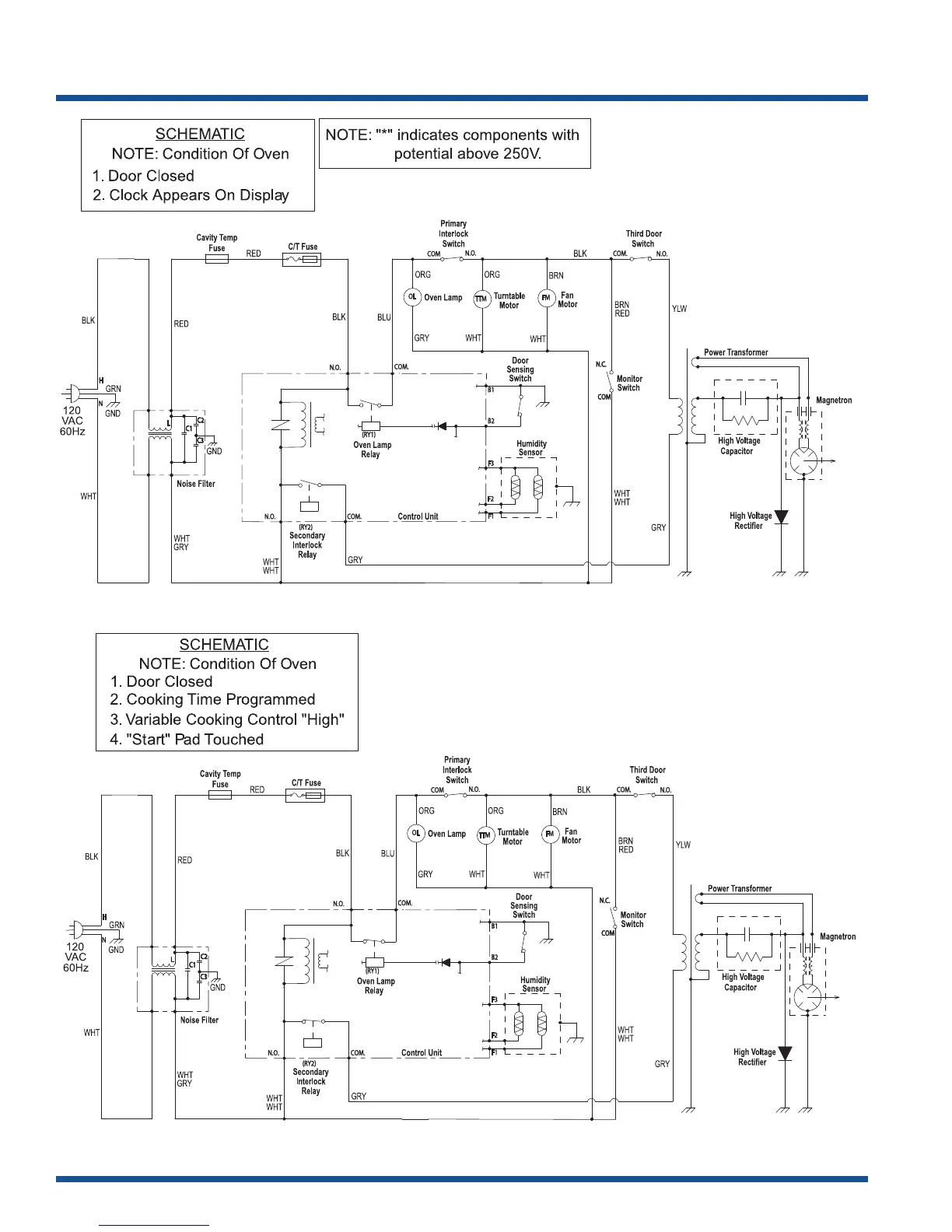
Figure 2-1. Oven Off Condition
Figure 2-2. Oven Schematic-Microwave Cooking Condition

Table of Contents

Related product manuals