EasyManua.ls Logo

Electrolux EI24MO45IBA - Humidity Sensor Circuit

Electrolux EI24MO45IBA
44 pages
Print Icon
To Next Page IconTo Next Page
To Next Page IconTo Next Page
To Previous Page IconTo Previous Page
To Previous Page IconTo Previous Page
Loading...
Operation
2-5
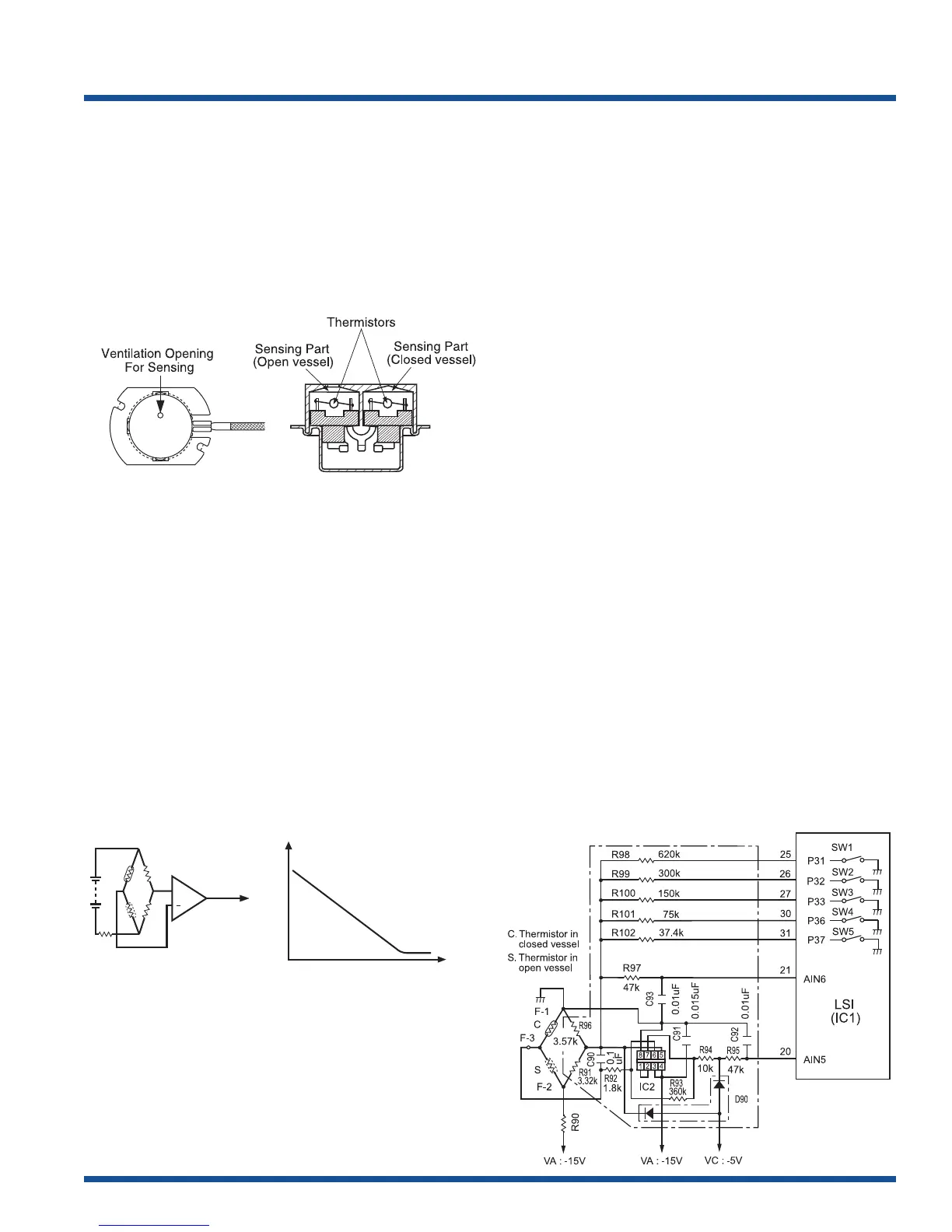
Humidity Sensor Circuit
(1) Structure of Absolute Humidity Sensor:
The absolute humidity sensor includes two
thermistors as shown in the illustration. One
thermistor is housed in the closed vessel filled with
dry air while another in the open vessel. Each sensor
is provided with the protective cover made of metal
mesh to be protected from the external airflow.
(2) Operational Principle of Absolute Humidity Sensor:
The figure below shows the basic structure of an
absolute humidity sensor. A bridge circuit is formed
by two thermistors and two resistors (R91 and R96).
The output of the bridge circuit is to be amplified by
the operational amplifier.
Each thermistor is supplied with a current to keep
it heated at about 150˚C (302˚F), the resultant heat
is dissipated in the air and if the two thermistors are
placed in different humidity conditions they show
different degrees of heat conductivity leading to a
potential difference between them causing an output
voltage from the bridge circuit, the intensity of which
is increased as the absolute humidity of the air
increases. Since the output is very minute, it is
amplified by the operational amplifier.
C
S
R3
R1
R2
+
Operational
amplifier
Output
voltage
S : Thermistor
open vessel
C : Thermistor
closed vessel
2
Absolute humidity (g/m )
O egatlov tuptu
Absolute humidity vs,
output voltage characteristic
(3) Detector Circuit of Absolute Humidity Sensor
Circuit:
This detector circuit is used to detect the output
voltage of the absolute humidity circuit to allow the
LSI to control sensor cooking of the unit. When the
unit is set in the sensor cooking mode, 16 seconds
clearing cycle occurs then the detector circuit starts
to function and the LSI observes the initial voltage
available at its AN1 terminal.
With this voltage given, the switches SW1 to SW5 in
the LSI are turned on in such a way as to change the
resistance values in parallel with R98 ~ R102.
Changing the resistance values results in that there
is the same potential at both F-3 terminal of the abso-
lute humidity sensor and AIN6 terminal of the LSI.
The voltage of AIN6 terminal will indicate about -2.5V.
This initial balancing is set up about 16 seconds after
the unit is put in the Sensor Cooking mode. As the
sensor cooking proceeds, the food is heated to
generate moisture by which the resistance balance of
the bridge circuit is deviated to increase the voltage
available at AIN5 terminal of the LSI.
Then the LSI observes that voltage at AIN5 terminal
and compares it with its initial value, and when the
comparison rate reaches the preset value (fixed for
each menu to be cooked), the LSI causes the unit to
stop sensor cooking; thereafter, the unit goes in the
next operation automatically.
When the LSI starts to detect the initial voltage at
AIN5 terminal 16 seconds after the unit has been put
in the Sensor Cooking mode, if it is not possible to
balance the bridge circuit due to disconnection of the
absolute humidity sensor, ERROR will appear on the
display and the cooking is stopped.
1) Humidity sensor circuit:

Table of Contents

Related product manuals