EasyManua.ls Logo

Electrolux EI24MO45IBA - Section 5 Wire Diagrams; Wiring Diagram

Electrolux EI24MO45IBA
44 pages
Print Icon
To Next Page IconTo Next Page
To Next Page IconTo Next Page
To Previous Page IconTo Previous Page
To Previous Page IconTo Previous Page
Loading...
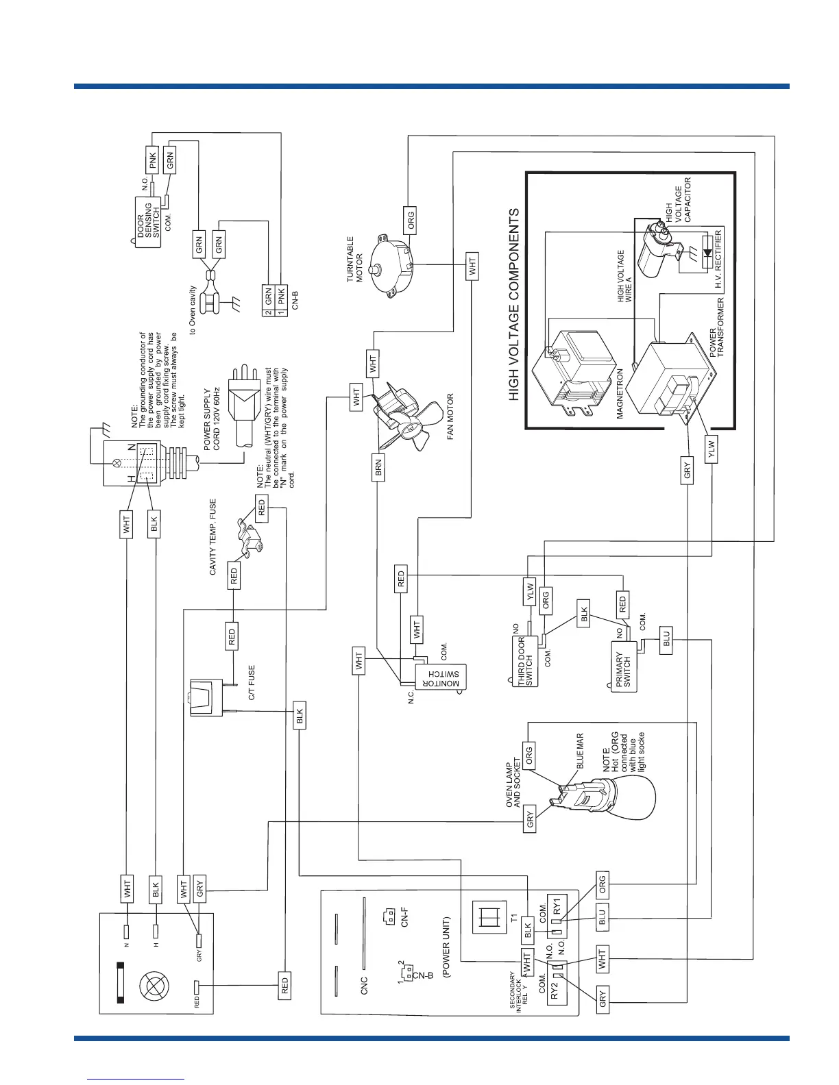
Wiring Diagrams
5-1
Wiring Diagram

Table of Contents

Related product manuals