EasyManua.ls Logo

Electrolux EWM3000new - Circuit Diagrams EWM1100

Electrolux EWM3000new
176 pages
Print Icon
To Next Page IconTo Next Page
To Next Page IconTo Next Page
To Previous Page IconTo Previous Page
To Previous Page IconTo Previous Page
Loading...
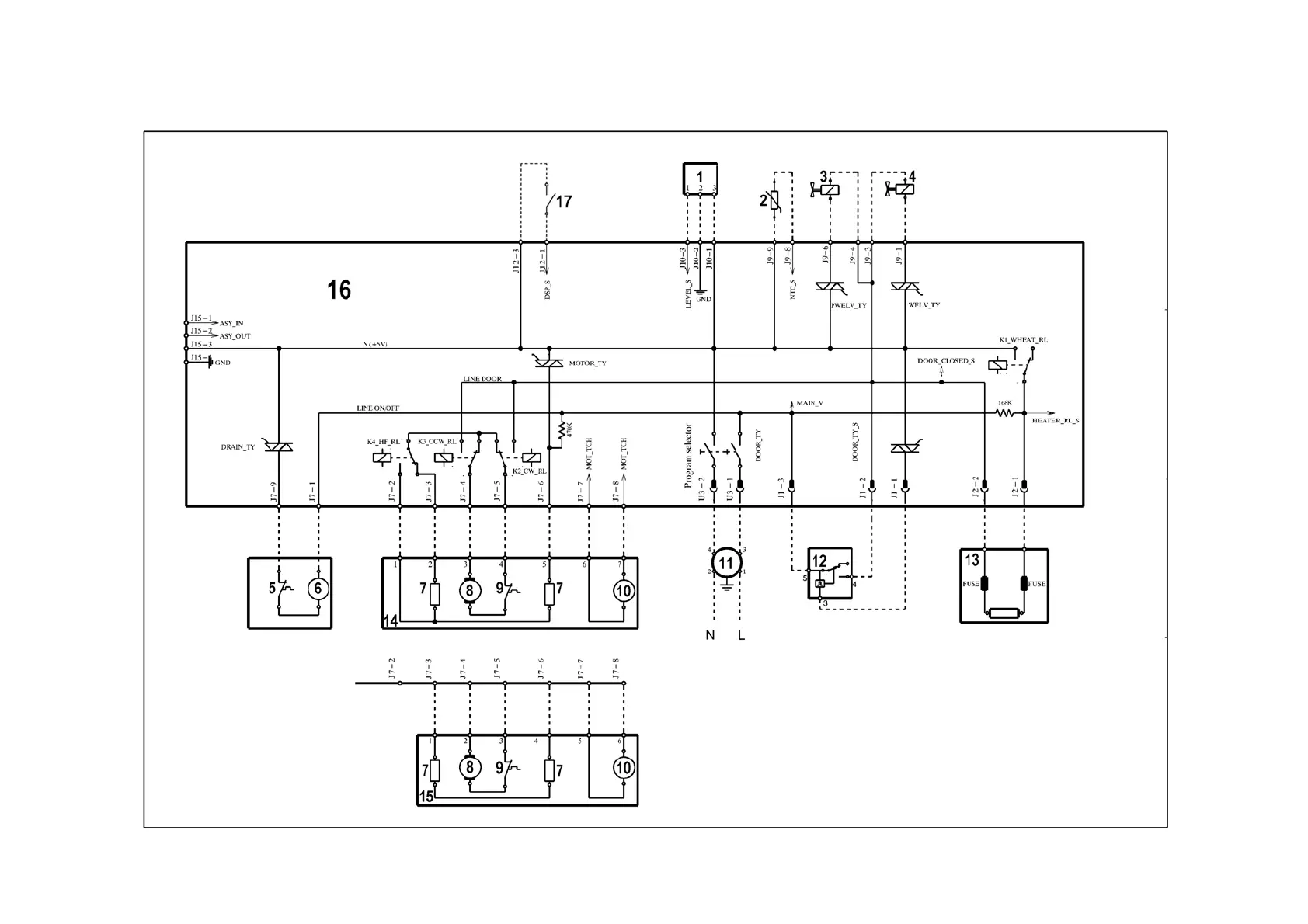
ENV06 EWM11xx EWM21xx EWM25xx/35xx
QUICK GUIDE AND APPLIANCES LIST 50/176 599 72 40-80
3.6 Basic circuit diagram EWM1100

Table of Contents

Related product manuals