EasyManua.ls Logo

Elitech STC-1000Pro TH - Page 9

Elitech STC-1000Pro TH
18 pages
Print Icon
To Next Page IconTo Next Page
To Next Page IconTo Next Page
To Previous Page IconTo Previous Page
To Previous Page IconTo Previous Page
Loading...
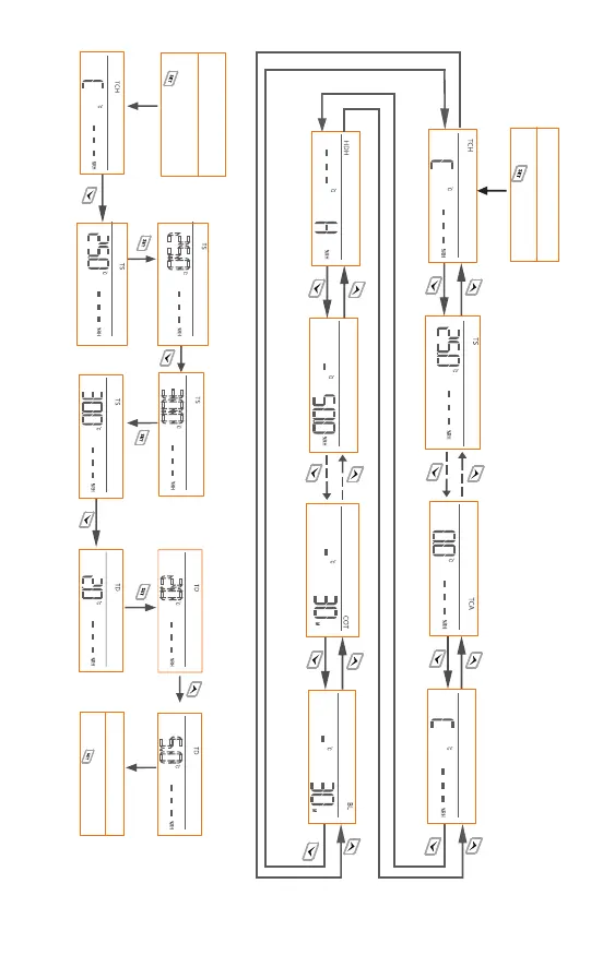
Fig. 6
Fig. 7
press and hold
key 3s
Enter
Tsv
Hsv
Tsv
Hsv
Temperature
set value
Temperature
mode selection
Tsv
Hsv
Tsv
Hsv
Tsv
Hsv
Tsv
Hsv
Tsv
Hsv
Tsv
Hsv
Exit
Temperature
dierential
press and hold
key 3s
Ts v
Hsv
Ts v
Hsv
Ts v
Hsv
Ts v
Hsv
Hsv
Hsv
Hsv
Temperature set valueTemperature mode selection Temperature calibration Temperature uint
Humidity set value Continuous working time Backlight timeHumidity mode selection
Hsv
press and hold
key 3s
Enter
-8-

Related product manuals