EasyManua.ls Logo

Ellard Spider - Page 24

Default Icon
34 pages
Print Icon
To Next Page IconTo Next Page
To Next Page IconTo Next Page
To Previous Page IconTo Previous Page
To Previous Page IconTo Previous Page
Loading...
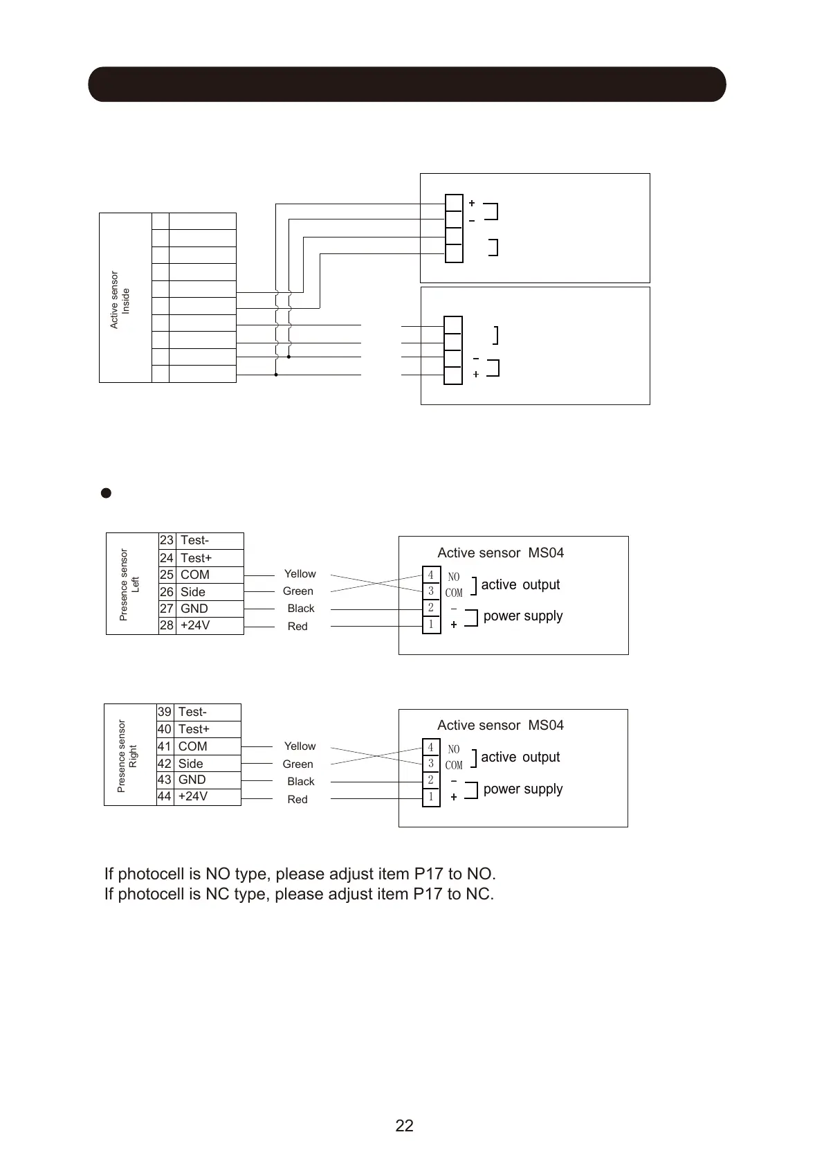
23 Test-
24 Test+
25 COM
26 Side
27 GND
28 +24V
4
3
2
1
power supply
active output
Yellow
Green
Black
Red
39 Test-
40 Test+
41 COM
42 Side
47 Test-
48 Test+
49 SAF-
50 SAF+
43 GND
44 +24V
45 Null
46 Null
51 ACT-
52 ACT+
53 GND
54 +24V
Presence sensor
Left
Presence sensor
Right
Active sensor
Inside
Safety Precautions
Connection and wiring
Non monitored sensors
22
Active sensor MS04
1
2
3
4
Photocell
4
3
2
1
power supply
active output
Active sensor MS04
Yellow
Green
Black
Red
4
3
2
1
+
-
NO
COM
power supply
active output
+
-
NO
COM
+
-
NO
COM
Active sensor MS04
Yellow
Green
Black
Red
Optional
If photocell is NO type, please adjust item P17 to NO.
If photocell is NC type, please adjust item P17 to NC.
+
-
NO
COM
power supply
safety
output
Inside Activation
and Threshold Safety
21
Connection and Wiring