EasyManua.ls Logo

Embassy ONEX - Page 73

Embassy ONEX
80 pages
Print Icon
To Next Page IconTo Next Page
To Next Page IconTo Next Page
To Previous Page IconTo Previous Page
To Previous Page IconTo Previous Page
Loading...
73
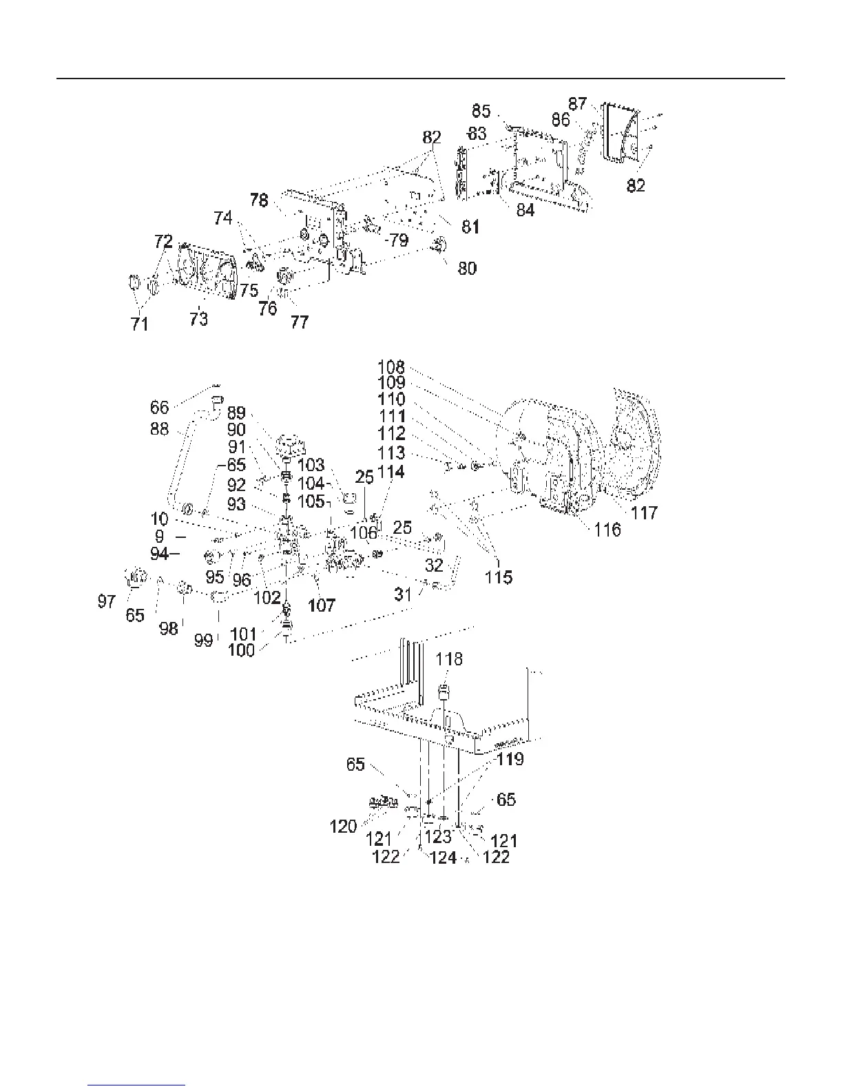
90 - 61202024 PLUG PISTON BODY OT.
91 - 60808002 SPRING FORCK 3V
92 - 61202027 UPPER PISTON
93 - 61408005 HYDRONIC SUPPLY GROUP.
94 - 62113035 HEATING PRESSURE SWITCH
95 - 60704003 GASKET COPPER 1/4P
96 - 60801134 SCREW 5X18 ZINC TC-ES-INC UNI5931
97 - 61205010 ASME SAFETY RELIEF VALVE
98 - 60113004 CONNECTION BRASS 1/2P TO 3/4P MF
99 - 60101082 ELBOW BRASS 1/2P MF
100 - 61202025 COVER PISTON HEATING
101 - 61202028 PISTON HEATING SIDE
102 - 60107005 PLUG BRASS 1/4P M WITH O-RING
103 - 60110028 NIPPLE OT 1"-22X1,5 MM
104 - 60702036 O-RING 2075 EPDM 1,78 X 18,77
105 - 61408007 HYDRONIC RETURN GROUP
106 - 61202026 BY-PASS VALVE
107 - 60701006 3/4” GASKET
108 - 62653003 DOMESTIC HEAT EXCHANGER “ACQUAJET”
109 - 62110052 SENSOR NTC 10 KOHM KLIP WITH SCREW
110 - 60702053 O-RING 3037 EPDM 2,62 X 9,19
111 - 62628001 PURGING PIPE
112 - 61206011 PURGING VALVE M10X1
113 - 60808003 FORCK BY-PASS PIPE
Bottom of the boiler for
45WN and 45WE
models
15 - SPARE PARTS

Table of Contents