EasyManua.ls Logo

Emerson 3402 - Page 175

Emerson 3402
200 pages
Print Icon
To Next Page IconTo Next Page
To Next Page IconTo Next Page
To Previous Page IconTo Previous Page
To Previous Page IconTo Previous Page
Loading...
Introduction
Parameter
x.00
Parameter
description format
Keypad and
display
Serial
communications
CT Modbus
RTU
PLC Ladder
programming
CTSoft Menu 0
Advanced parameter
descriptions
Menu 15
I/O options
Commander SK Advanced User Guide 175
Issue Number: 9
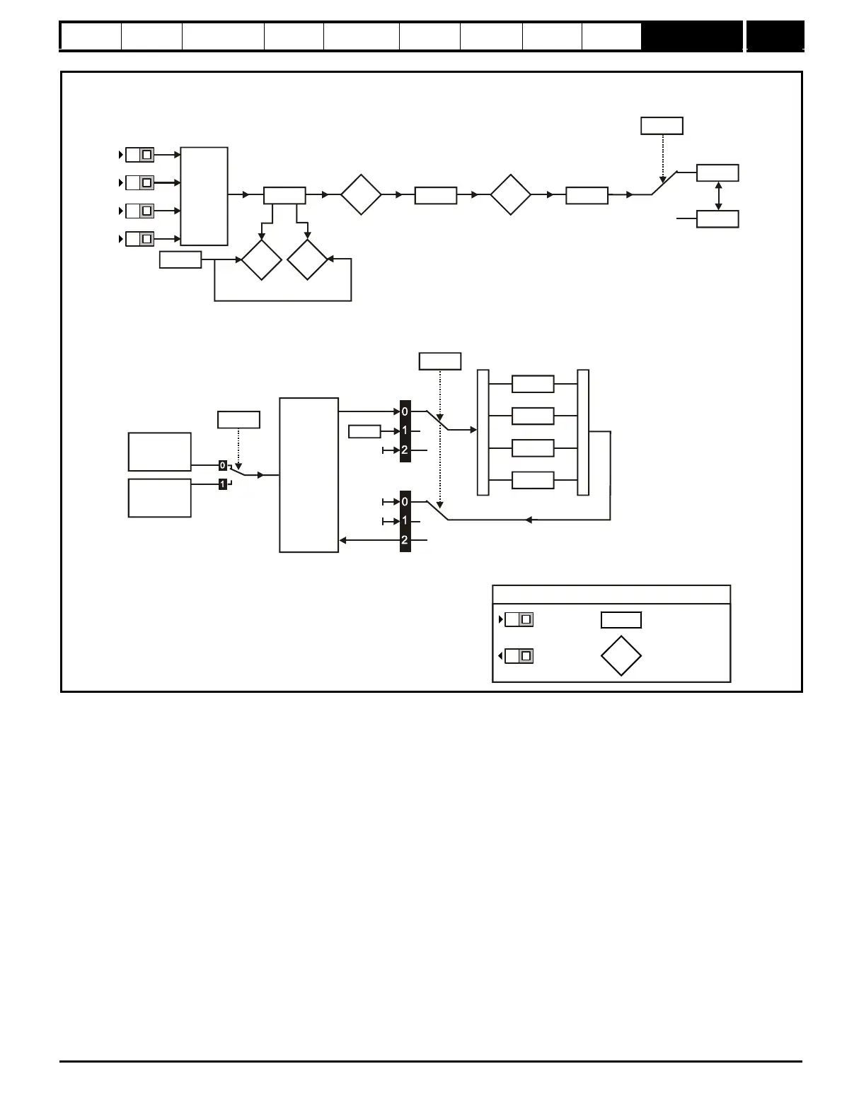
Figure 10-46 Menu 15C logic diagram*
* x in the parameter boxes represents Menu 15 (i.e. x.04 = Pr 15.04)
x.59
Encoder
reference
destination
0.00
21.51
Default
destination
Pr
0.00
T9
T8
T7
T10
B
B\
A\
A
Encoder
reference
input
x.52
Drive encoder
lines per
revolution
x.53
x.54
Revolution
counter
Revolution
position
x.55
Drive
encoder
speed (rpm)
x.56
Maximum
drive encoder
reference
x.57
Drive
encoder
reference
x.58
Scaling
x.19
Real time
clock normal
operation
Real time
clock
+1 hour
Real time
clock
x.30
Real time
clock update
mode
User
x.34
x.35
x.36
x.37
Minutes/seconds
Days/hours
Month/date
Years
XX
XX
Key
Read-write
(RW)
parameter
Read-only (RO)
parameter
Input
terminals
Output
terminals
XX
XX
Real time
clock daylight
saving mode
x.60
Encoder
reset

Table of Contents

Related product manuals