EasyManua.ls Logo

Emerson 3402 - Page 73

Emerson 3402
200 pages
Print Icon
To Next Page IconTo Next Page
To Next Page IconTo Next Page
To Previous Page IconTo Previous Page
To Previous Page IconTo Previous Page
Loading...
Introduction
Parameter
x.00
Parameter
description format
Keypad and
display
Serial
communications
CT Modbus
RTU
PLC Ladder
programming
CTSoft Menu 0
Advanced parameter
descriptions
Menu 5
Commander SK Advanced User Guide 73
Issue Number: 9 www.controltechniques.com
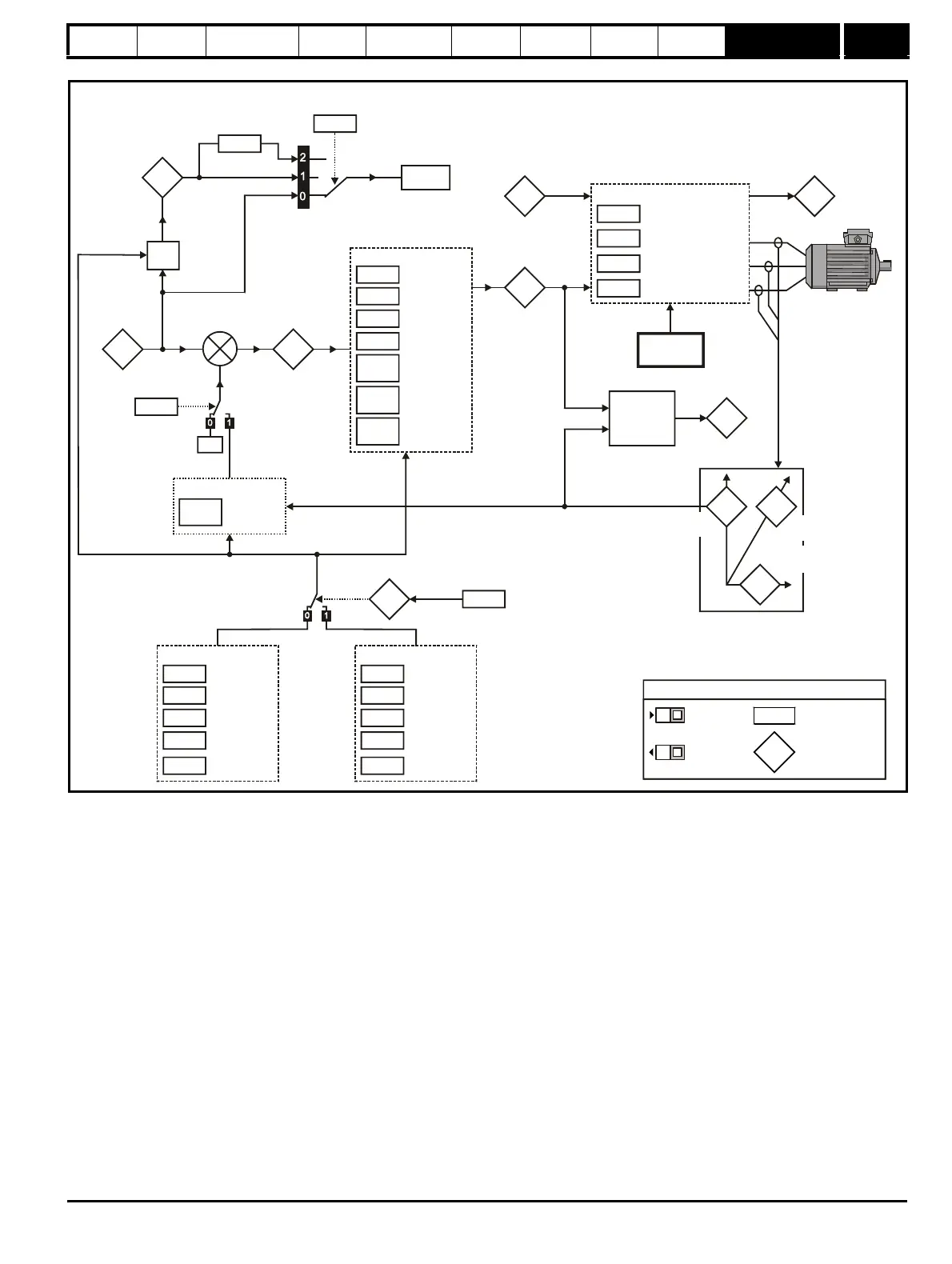
Figure 10-13 Menu 5 logic diagram
2.01
Post ramp
reference
+
+
5.01
Motor
frequency
0Hz
5.27
Slip
compensation
enable
5.08
(21.08)
Motor rated
full load rpm
Slip compensation
5.17
(21.12)
Stator
resistance
5.15
Low frequency
voltage boost
5.13
5.14
Dynamic V
to f select
Voltage
mode select
5.12
Autotune
Voltage calculations
5.23
(21.13)
Voltage
offset
5.24
(21.14)
Transient
inductance
Slip
compensation
4.17
Active
current
4.02
Magnetising
current
Current
magnitude
4.01
5.10
Rated power
factor
5.07
5.09
Rated current
Rated voltage
5.06
Rated
frequency
Motor map 1
5.11
Number of
poles
21.10
Rated power
factor
21.07
21.09
Rated current
Rated voltage
21.06
Rated
frequency
Motor map 2
21.11
Number of
poles
21.15
Motor map
2 selected
11.45
Motor map
select
Hz to
rpm
5.04
Motor
rpm
11.21
Customer
defined units
5.34
Speed
display units
Display
5.03
Total motor
power (kW)
Power
calculations
5.02
Motor
voltage
5.35
Disable auto-switching
frequency change
5.19
5.20
High stability space
vector modulation
Over modulation
enable
5.18
Modulation
Maximum switching
frequency
5.05
DC bus
voltage
5.37
Actual switching
frequency
Menu 6
Sequencer
XX
XX
Key
Read-write
(RW)
parameter
Read-only (RO)
parameter
Input
terminals
Output
terminals
XX
XX
3 x V x 1

Table of Contents

Related product manuals