EasyManua.ls Logo

Emerson 3403 - Page 56

Emerson 3403
200 pages
Print Icon
To Next Page IconTo Next Page
To Next Page IconTo Next Page
To Previous Page IconTo Previous Page
To Previous Page IconTo Previous Page
Loading...
Menu 3 Introduction
Parameter
x.00
Parameter
description format
Keypad and
display
Serial
communications
CT Modbus
RTU
PLC Ladder
programming
CTSoft Menu 0
Advanced parameter
descriptions
56 Commander SK Advanced User Guide
www.controltechniques.com Issue Number: 9
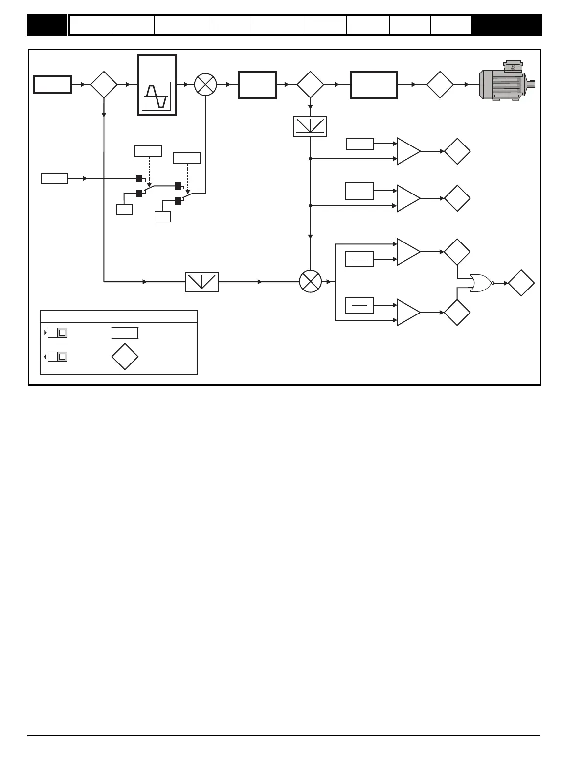
Figure 10-10 Menu 3A logic diagram
Menu 1
1.03
Pre-ramp
reference
Menu 2
Ramp
control
Menu 4
Current
control
2.01
Post-ramp
reference
Menu 5
Slip
compensation
5.01
Motor
frequency
+
_
3.05
10.03
Zero speed
Zero speed
threshold
+
_
1.07
21.02
Minimum
speed
+
_
3.06
2
10.05
Below set
speed
At speed
window
+
_
10.07
Above set
speed
+
_
10.06
At speed
0
1
0Hz
0
1
0Hz
3.23
Hard
frequency
selector
1.11
Reference
enabled
3.22
Hard
frequency
reference
10.04
Running at or below
minimum speed
-3.06
2
Frequency
error
XX
XX
Key
Read-write (RW)
parameter
Read-only (RO)
parameter
Input
terminals
Output
terminals
XX
XX

Table of Contents

Related product manuals