EasyManua.ls Logo

Emerson Digistart IS1x0043B series - Page 24

Emerson Digistart IS1x0043B series
88 pages
Print Icon
To Next Page IconTo Next Page
To Next Page IconTo Next Page
To Previous Page IconTo Previous Page
To Previous Page IconTo Previous Page
Loading...
Safety
Information
Rating
Data
Mechanical
Installation
Electrical
Installation
Keypad
and
Status
Operation
Programming
Diagnostics
Application
Examples
Technical
Data
Maintenance
Options
24 Digistart IS User Guide
www.controltechniques.com Issue: 4
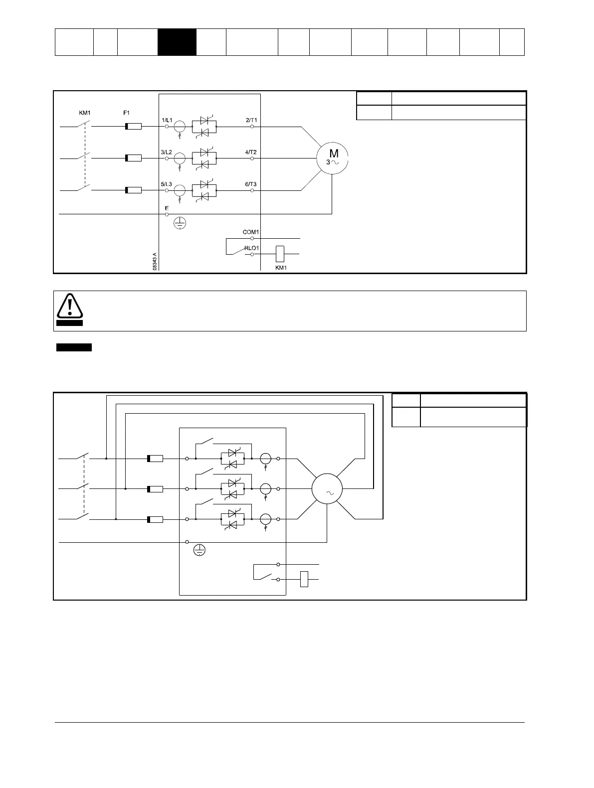
In-line installation, non-bypassed
Figure 4-10 Power connections - in-line installation, non-bypassed
KM1
Main contactor (optional)
F1
Semiconductor fuses (optional)
4.3.3 Inside delta installation
CAUTION
When connecting the Digistart IS in inside delta configuration, always install a main contactor or shunt trip circuit
breaker.
NOTE
When connecting in inside delta, enter the motor full load current (FLC) for Pr 1A. The Digistart IS will automatically
detect whether the motor is connected in-line or inside delta and will calculate the correct inside delta current level.
Inside delta installation, internally bypassed
Figure 4-11 Power connections - inside delta installation, internally bypassed
08344.A
M
3
6/T3
2/T1
COM1
RLO1
4/T2
KM1
U1(1) U2(4)
V1(2)
V2(5)
W1(3) W2(6)
5/L3
3/L2
1/L1
E
KM1 F1
KM1
Main contactor
F1
Semiconductor fuses
(optional)

Table of Contents

Related product manuals