EasyManua.ls Logo

Emerson Liebert FPC - Control Wiring Connections; Figure 14 Simplified Shutdown Circuit

Emerson Liebert FPC
40 pages
To Next Page IconTo Next Page
To Next Page IconTo Next Page
To Previous Page IconTo Previous Page
To Previous Page IconTo Previous Page
Loading...
Installation Instructions
20
1.3.6 Control Wiring Connections
NEC Article 645 requires that emergency power off (EPO) switches be located at the principal room
exits. All standard Liebert power conditioning systems have provisions for external shutdown control
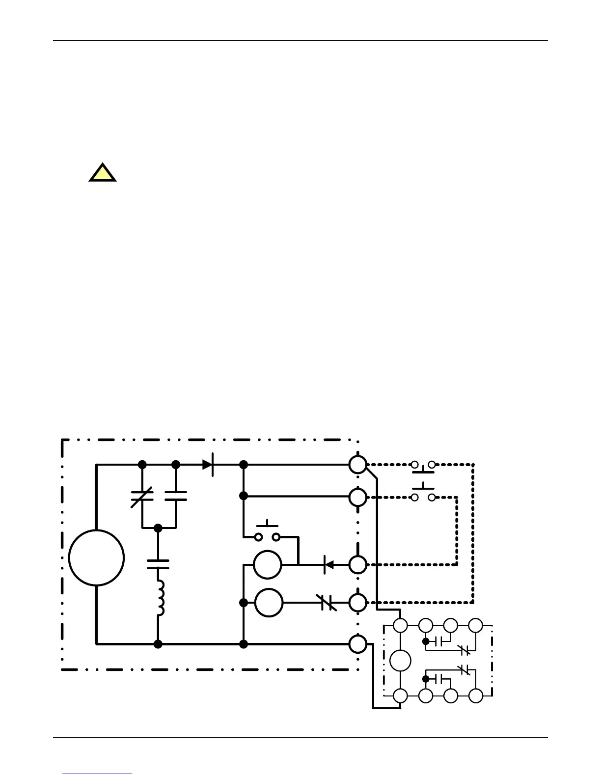
from Remote Emergency Power Off (REPO) stations. Figure 14 is a simplified diagram of the shut-
down circuitry of the Liebert FPC.
Low-Voltage Control Circuit
Control wiring connections must comply with the NEC and all other applicable codes.
As shown in Figure 14, the control circuit operates on 24VDC. The shutdown device (represented by
the REPO switch) activates a low-current, 24VDC relay that in turn operates the shunt-trip mecha-
nism. The shunt-trip solenoid opens the Main Input Breaker, which de-energizes the power center.
Multiple-Unit Shutdown
When more than one power center is installed by the user, a typical requirement is that actuation of a
single device (REPO for example) must shut down all power centers. The low-voltage control circuits
of all standard Liebert FPC systems are designed to meet this requirement.
External Control Wiring Connections
External control wiring connections for remote shutdown, alarm, and/or monitoring are made to the
low-voltage junction box (if used) or to the low-voltage control terminal strip located inside the unit.
Control wiring connections vary with the type of monitoring system furnished with the unit. Two typ-
ical control wiring configurations are shown in Figures 15 and 16.
Figure 14 Simplified shutdown circuit
!
WARNING
Verify that all incoming high-voltage (power) and low-voltage (control) circuits are
de-energized and locked out before installing cables or making connections, whether in the
junction box or in the unit.
+
-
K5
K6 6
2
3
4
1
N.O. REPO
Overtemp
Switch
N.C. REPO
R1
B
9 6
3
7 4
1A
Main
Input
Breaker
Shunt
Trip
K5
K6
+24VDC
Unit EPO
Remote
Shutdown
Devices
Building
Interface
Relay
24VDC
Source
Liebert FPC

Table of Contents

Related product manuals