EasyManua.ls Logo

Emerson Liebert NXC - 4.3.2 Connecting Parallel Cables; 4.3.3 Connecting External Battery Cables

Emerson Liebert NXC
69 pages
Print Icon
To Next Page IconTo Next Page
To Next Page IconTo Next Page
To Previous Page IconTo Previous Page
To Previous Page IconTo Previous Page
Loading...
User Manual 10H52188UM60 - Rev. 2 - 09/2012 35
Liebert NXC Parallel UPS Installation And Commissioning
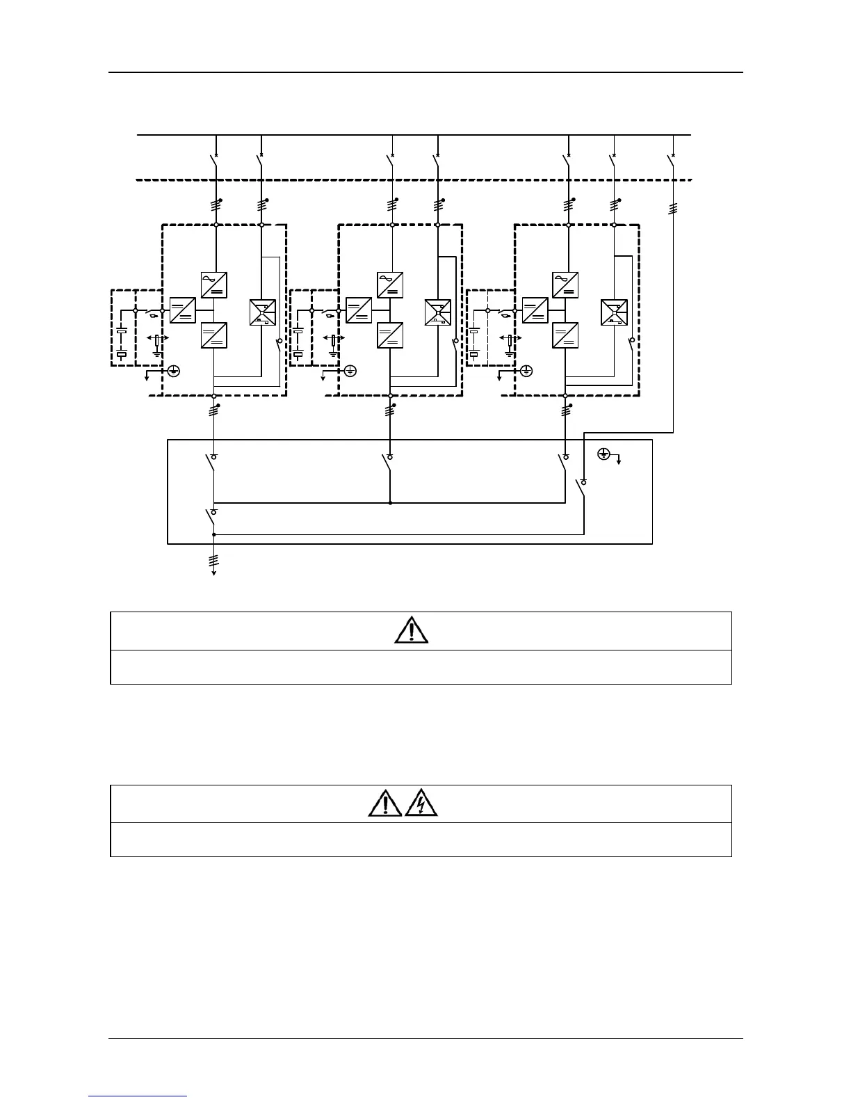
The diagram of three UPS parallel system is shown in Figure 4-1. Refer to Power distribution mode in 3.4.1 for the cable
connection of each UPS. Refer to 3.4 for the measurement of the input, output and battery cables.
Qout of allUPS
Rectifier
L1, L2, L3, N
UPS 1 output
Qout UPS1
Supplied by others
Qin
UPS1
Mains input
Qout UPS2
Qin
UPS2
Qout UPS3
Qin
UPS3
Qin Ext
Byp
Qout BYP
L1, L2, L3, N
L1, L2, L3,
N
L1, L2, L3, N
L1, L2, L3,
N
L1, L2, L3
L1, L2, L3, N
L1, L2, L3, N
L1, L2, L3, N
Mains input
Bypass input
Bypass input
Mains input
Bypass
input L1,
L2, L3,N
STS
Inverter
Rectifier
STS
Inverter
Rectifier
STS
Inverter
UPS 2 output UPS 3 output
Output distribution
Figure 4-1 1 + N UPS System with External Maintenance Switch
Note
For 1+N installations, an external bypass rated for the total system load must be installed and the UPS internal maintenance bypass must
be locked to prevent it from being operated.
When planning and installing the system, the power cables between input distribution and the Bypass and rectifier must be
the same length (+/- 10%). The same applies to the power cables between the UPS outputs and the parallel connection point
on the load side.
Warning
Each UPS must configure extenal input MCB and extenal output MCB when carring out the power distribution for the parallel system, as
shown in Figure 4-1. When operating the external Bypass (Qout BYP) refer to 6.2.6.
Changing power distribution mode
This product is compatible with 3-in 3-out/3-in 1-out, factory default: 3-in 3-out.
Carry out the parallel connection after changing the single system to the required system (refer to Changing power
distribution mode in 3.4.1 for the changing method), if you need to change the mode from 3-in 3-out to 3-in 1-out or from
3-in 1-out to 3-in 3-out.

Table of Contents